产品介绍产品图纸
产品编号:3417153714
产品名称:P系列行星齿轮减速机
产品类别:行星齿轮减速机系列
产品型号:P系列
产品特点:
P系列行星齿轮减速机重量轻、体积小、传动比范围大、效率高、运转平稳、噪声低适应性强等特点。减速机广泛应用于冶金、矿山、起重运输、电力、能源、建筑建材、轻工、交通等工业部门。
产品说明:
1、P系列行星齿轮减速机采用模块化设计,可根据客户要求进行变化组合,
2、减速机采用渐开线行星齿轮传动,合理利用内、外啮合、功率分流,
3、箱体采用球墨铸铁,大大提高了箱体的钢性及抗震性,
4、齿轮均采用渗碳淬火处理,得到高硬耐磨表面,齿轮热处理后全部磨齿,降低了噪音,提高了整机的效率和使用寿命。
5、行星减速机P系列产品有9-34型规格,行星传动级数有2级和3级。
减速比:
25~4000 与 R X、R、K系列组合可达到更大速比
输出转矩:
高至2600000Nm
电机功率:
0.4-12934kW
安装形式:
1、水平安装/底脚安装
2、垂直安装/法兰安装
3、扭力臂安装。
出轴方式:
A、带收缩盘空心输出轴
B、带平键的实心输出轴
C、带渐开线花键空心轴
D、带渐开线花键实心轴
单边力矩支臂尺寸
电动机连接架尺寸
法兰安装螺钉尺寸
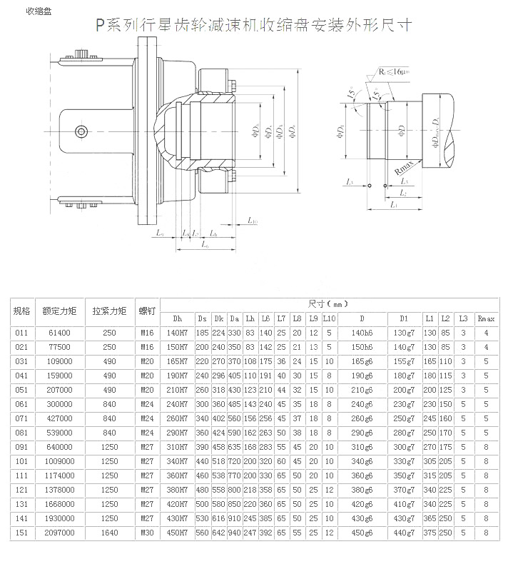
收缩盘尺寸
输出边的径向载荷
双边力矩支臂尺寸
转矩分级
精确传动比
产品编号:3417153714
产品名称:P系列行星齿轮减速机
产品类别:行星齿轮减速机系列
产品型号:P系列
产品特点:
P系列行星齿轮减速机重量轻、体积小、传动比范围大、效率高、运转平稳、噪声低适应性强等特点。减速机广泛应用于冶金、矿山、起重运输、电力、能源、建筑建材、轻工、交通等工业部门。
产品说明:
1、P系列行星齿轮减速机采用模块化设计,可根据客户要求进行变化组合,
2、减速机采用渐开线行星齿轮传动,合理利用内、外啮合、功率分流,
3、箱体采用球墨铸铁,大大提高了箱体的钢性及抗震性,
4、齿轮均采用渗碳淬火处理,得到高硬耐磨表面,齿轮热处理后全部磨齿,降低了噪音,提高了整机的效率和使用寿命。
5、行星减速机P系列产品有9-34型规格,行星传动级数有2级和3级。
减速比:
25~4000 与 R X、R、K系列组合可达到更大速比
输出转矩:
高至2600000Nm
电机功率:
0.4-12934kW
安装形式:
1、水平安装/底脚安装
2、垂直安装/法兰安装
3、扭力臂安装。
出轴方式:
A、带收缩盘空心输出轴
B、带平键的实心输出轴
C、带渐开线花键空心轴
D、带渐开线花键实心轴
| 单边力矩支臂尺寸 |
|
|
| 电动机连接架尺寸 |
|
|
|
|
| 法兰安装螺钉尺寸 |
|
|
|
|
| 收缩盘尺寸 |
|
|
| 输出边的径向载荷 |
|
|
| 双边力矩支臂尺寸 |
|
|
| 转矩分级 |
|
|
| 精确传动比 |
|
|
|
|
|
|
|
|
|
|
|
|
|
|


