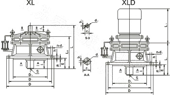
产品介绍产品图纸
产品编号:10211494014
产品名称:单级XLD型摆线针轮减速机
产品类别:摆线针轮减速机系列
产品型号:XLD
Appearance and installation dimension
(mm)
Frame
Installationdimension
Shaft end dimension
D1
D2
E
h
R
s
Hole
Output shaft
Intput shaf
n
d0
d1
b1
c1
l1
d2
b2
c2
l2
1
134
110
48
9
3
M8
4
12
28
8
31
35
15
5
17
25
2
160
130
42
12
6
25
28
34
3
200
170
50
15
4
35
10
38
45
18
6
20.5
35
4
230
200
79
M10
45
14
48.5
63
22
24.5
40
5
310
270
93
20
M12
55
16
59
79
30
8
33
45
6
360
316
92
22
5
8
16
65
18
69
80
35
10
38
54
7
390
345
114
36
80
22
85
98
40
12
43
65
8
450
400
112
30
6
M16
13
22
90
25
95
110
45
14
48.5
70
9
520
455
170
35
8
M20
100
28
106
129
50
53.5
80
10
590
520
174
40
10
110
116
140
55
16
59
100
11
800
680
210
45
2-M20
28
130
32
137
184
70
20
74.5
120
(mm)
Frame
Outerside dimension
Weight
kg
D
Double Shaft style
Flange style
L
L1
L2
B2
1
160
202
141
According
to motor size
8
2
180
218
155
13
3
230
269
191
26
4
260
333
255
38
5
340
399
302
93
6
400
470
358
138
7
430
522
397
160
8
490
581
440
240
9
580
698
529
370
10
650
806
608
622
11
880
1022
811
210
Note:Matching tolerance of shaft d1/d2 is h6
产品编号:10211494014
产品名称:单级XLD型摆线针轮减速机
产品类别:摆线针轮减速机系列
产品型号:XLD
|
||||||||||||||||||||||||||||||||||||||||||||||||||||||||||||||||||||||||||||||||||||||||||||||||||||||||||||||||||||||||||||||||||||||||||||||||||||||||||||||||||||||||||||||||||||||||||||||||||||||||||||||||||||||||||||||||||||||||||||||||||||||||||||||||||||||||||||||||||||||||||||||||||||||||||||||||||||||
|
||||||||||||||||||||||||||||||||||||||||||||||||||||||||||||||||||||||||||||||||||||||||||||||||||||||||||||||||||||||||||||||||||||||||||||||||||||||||||||||||||||||||||||||||||||||||||||||||||||||||||||||||||||||||||||||||||||||||||||||||||||||||||||||||||||||||||||||||||||||||||||||||||||||||||||||||||||||


