产品介绍产品图纸
产品编号:3416513414
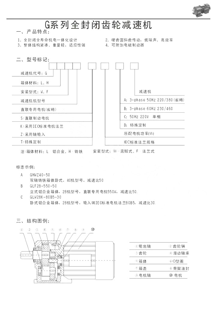
产品名称:G系列全封闭齿轮减速机
产品类别:特殊齿轮减速机
产品型号:G系列
特点:
(一)全封闭全寿命机电一体化设计。
(二)硬齿面斜齿传动,低噪声、高效率。
(三)整体结构、重量轻,适应性强。
(四)可附加电磁制动器。



G系列全封闭齿轮减速机产品特点型号标记结构图例
G系列全封闭齿轮减速机技术参数
使用与维护电机的选用其他说明电机外型及标准IEC联结法兰尺寸表
安装尺寸法兰式外型安装尺寸
安装尺寸二法兰式外型安装尺寸二
安装尺寸三法兰式外型安装尺寸三
安装尺寸四双组立式脚外型安装尺寸四
产品编号:3416513414
产品名称:G系列全封闭齿轮减速机
产品类别:特殊齿轮减速机
产品型号:G系列
特点:
(一)全封闭全寿命机电一体化设计。
(二)硬齿面斜齿传动,低噪声、高效率。
(三)整体结构、重量轻,适应性强。
(四)可附加电磁制动器。



| G系列全封闭齿轮减速机产品特点型号标记结构图例 |
|
| G系列全封闭齿轮减速机技术参数 |
|
| 使用与维护电机的选用其他说明电机外型及标准IEC联结法兰尺寸表 |
|
| 安装尺寸法兰式外型安装尺寸 |
|
| 安装尺寸二法兰式外型安装尺寸二 |
|
| 安装尺寸三法兰式外型安装尺寸三 |
|
| 安装尺寸四双组立式脚外型安装尺寸四 |
|


