产品介绍产品图纸
本公司生产近30类,计140多种搅拌器,从最常见的(包括已有的HB5标准,SB90标准各种搅拌器)到各种复杂形状或特殊用途的搅拌器。可按H/T2123-91标准的各种规格尺寸系列制造,也可根据用户生产工艺需求,代为设计制造各种特殊要求、特殊规格或特殊用途的搅拌器。
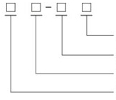
搅拌器型号标注方法:
材料代号
搅拌器轴孔径
搅拌器的外径,
搅拌器型式代号
曲边斜边桨式
曲边斜叶整体桨式QJ、曲边斜边可拆桨式QCJ
本类搅拌器是斜叶桨式的变型,桨底旋转面接近容器的随圆面,桨叶平面与旋转轴垂直面又成一倾角45°,兼起刮板作用。操作多为低速范围,在层流区操作,常用介质粘度μ<2000cP,n=1-100rpm,v=1.0-5.0m/s。
折叶桨式搅拌器主要尺寸
DJ
d
d1
h
SR
H
A1
A2
A3
键槽
B
MX
δ
重量
b
t
不锈钢/碳钢
不锈钢
碳钢
200
25
50
35
350
35
/
50
40
8
28.3
30
8
3/4
0.605
0.666
220
25
50
35
400
38
/
55
44
8
28.3
33
8
3/4
0.639
0.712
250
30
65
40
450
42
/
60
50
8
33.3
38
8
4/6
1.239
1.444
280
35
70
45
500
48
/
70
56
10
38.3
40
8
4/6
1.506
1.744
320
35
70
45
550
55
/
80
64
10
38.3
50
10
6/8
2.081
2.426
360
40
75
50
650
60
/
90
70
12
43.3
55
10
6/8
2.571
2.987
400
40
80
55
700
68
/
100
80
12
43.3
60
10
8/10
3.915
4.466
450
45
85
60
800
75
/
110
90
14
48.8
65
10
8/10
4.626
5.280
500
50
90
70
90
85
300
125
100
14
53.8
75
12
10/12
6.761
7.597
560
55
95
80
1000
95
300
140
110
14
59.4
85
12
10/12
8.307
9.328
630
60
100
85
1100
105
350
160
120
18
64.4
95
12
12/14
11.42
12.71
710
65
105
95
1200
120
350
175
140
18
69.4
105
12
12/14
13.93
15.50
800
70
110
100
1400
135
400
200
160
20
74.9
120
12
14/16
19.04
21.02
900
75
120
110
1600
150
500
225
180
20
79.9
130
12
14/16
23.87
26.30
1000
80
140
120
1800
170
600
250
200
22
85.4
150
12
16/18
35.68
38.73
1120
85
150
130
2000
190
700
280
220
22
90.4
160
16
16/18
43.39
47.06
1250
90
160
150
2200
210
800
310
250
25
95.4
180
16
18/20
60.62
65.25
1400
100
180
170
2500
230
900
350
280
28
106.4
200
16
18/20
79.22
85.02
1600
110
190
180
2800
270
1000
400
320
28
116.4
230
16
18/20
101.4
109.0
1800
120
200
200
3200
300
1100
450
350
32
127.4
260
16
18/20
123.7
133.3
2000
130
210
220
3500
330
110
500
400
32
137.4
290
18
18/20
149.3
160.9
2240
140
220
245
4000
370
1200
560
440
36
148.4
320
18
18/20
182.1
196.5
2500
150
230
270
4500
420
1200
620
500
36
158.4
360
18
20/22
224.4
293.7
2800
160
240
300
5000
470
1200
700
560
40
169.4
400
20
20/22
275.8
293.7
3150
170
250
340
5600
530
1300
780
630
40
179.4
450
20
20/22
361.6
338.7
3550
180
260
380
630
590
1300
880
700
45
190.4
500
20
20/22
447.1
479.8
备注:搅拌器内孔可根据用户要求制作,轮毂高度一般与内孔相一致。
本公司生产近30类,计140多种搅拌器,从最常见的(包括已有的HB5标准,SB90标准各种搅拌器)到各种复杂形状或特殊用途的搅拌器。可按H/T2123-91标准的各种规格尺寸系列制造,也可根据用户生产工艺需求,代为设计制造各种特殊要求、特殊规格或特殊用途的搅拌器。
搅拌器型号标注方法:
材料代号
搅拌器轴孔径
搅拌器的外径,
搅拌器型式代号
曲边斜边桨式
曲边斜叶整体桨式QJ、曲边斜边可拆桨式QCJ
本类搅拌器是斜叶桨式的变型,桨底旋转面接近容器的随圆面,桨叶平面与旋转轴垂直面又成一倾角45°,兼起刮板作用。操作多为低速范围,在层流区操作,常用介质粘度μ<2000cP,n=1-100rpm,v=1.0-5.0m/s。
折叶桨式搅拌器主要尺寸
DJ
d
d1
h
SR
H
A1
A2
A3
键槽
B
MX
δ
重量
b
t
不锈钢/碳钢
不锈钢
碳钢
200
25
50
35
350
35
/
50
40
8
28.3
30
8
3/4
0.605
0.666
220
25
50
35
400
38
/
55
44
8
28.3
33
8
3/4
0.639
0.712
250
30
65
40
450
42
/
60
50
8
33.3
38
8
4/6
1.239
1.444
280
35
70
45
500
48
/
70
56
10
38.3
40
8
4/6
1.506
1.744
320
35
70
45
550
55
/
80
64
10
38.3
50
10
6/8
2.081
2.426
360
40
75
50
650
60
/
90
70
12
43.3
55
10
6/8
2.571
2.987
400
40
80
55
700
68
/
100
80
12
43.3
60
10
8/10
3.915
4.466
450
45
85
60
800
75
/
110
90
14
48.8
65
10
8/10
4.626
5.280
500
50
90
70
90
85
300
125
100
14
53.8
75
12
10/12
6.761
7.597
560
55
95
80
1000
95
300
140
110
14
59.4
85
12
10/12
8.307
9.328
630
60
100
85
1100
105
350
160
120
18
64.4
95
12
12/14
11.42
12.71
710
65
105
95
1200
120
350
175
140
18
69.4
105
12
12/14
13.93
15.50
800
70
110
100
1400
135
400
200
160
20
74.9
120
12
14/16
19.04
21.02
900
75
120
110
1600
150
500
225
180
20
79.9
130
12
14/16
23.87
26.30
1000
80
140
120
1800
170
600
250
200
22
85.4
150
12
16/18
35.68
38.73
1120
85
150
130
2000
190
700
280
220
22
90.4
160
16
16/18
43.39
47.06
1250
90
160
150
2200
210
800
310
250
25
95.4
180
16
18/20
60.62
65.25
1400
100
180
170
2500
230
900
350
280
28
106.4
200
16
18/20
79.22
85.02
1600
110
190
180
2800
270
1000
400
320
28
116.4
230
16
18/20
101.4
109.0
1800
120
200
200
3200
300
1100
450
350
32
127.4
260
16
18/20
123.7
133.3
2000
130
210
220
3500
330
110
500
400
32
137.4
290
18
18/20
149.3
160.9
2240
140
220
245
4000
370
1200
560
440
36
148.4
320
18
18/20
182.1
196.5
2500
150
230
270
4500
420
1200
620
500
36
158.4
360
18
20/22
224.4
293.7
2800
160
240
300
5000
470
1200
700
560
40
169.4
400
20
20/22
275.8
293.7
3150
170
250
340
5600
530
1300
780
630
40
179.4
450
20
20/22
361.6
338.7
3550
180
260
380
630
590
1300
880
700
45
190.4
500
20
20/22
447.1
479.8
备注:搅拌器内孔可根据用户要求制作,轮毂高度一般与内孔相一致。
本公司生产近30类,计140多种搅拌器,从最常见的(包括已有的HB5标准,SB90标准各种搅拌器)到各种复杂形状或特殊用途的搅拌器。可按H/T2123-91标准的各种规格尺寸系列制造,也可根据用户生产工艺需求,代为设计制造各种特殊要求、特殊规格或特殊用途的搅拌器。
搅拌器型号标注方法:
|
|
| 材料代号 | |
| 搅拌器轴孔径 | |
| 搅拌器的外径, | |
| 搅拌器型式代号 |
曲边斜边桨式
曲边斜叶整体桨式QJ、曲边斜边可拆桨式QCJ
本类搅拌器是斜叶桨式的变型,桨底旋转面接近容器的随圆面,桨叶平面与旋转轴垂直面又成一倾角45°,兼起刮板作用。操作多为低速范围,在层流区操作,常用介质粘度μ<2000cP,n=1-100rpm,v=1.0-5.0m/s。
折叶桨式搅拌器主要尺寸
| DJ | d | d1 | h | SR | H | A1 | A2 | A3 | 键槽 | B | MX | δ | 重量 | ||
| b | t | 不锈钢/碳钢 | 不锈钢 | 碳钢 | |||||||||||
| 200 | 25 | 50 | 35 | 350 | 35 | / | 50 | 40 | 8 | 28.3 | 30 | 8 | 3/4 | 0.605 | 0.666 |
| 220 | 25 | 50 | 35 | 400 | 38 | / | 55 | 44 | 8 | 28.3 | 33 | 8 | 3/4 | 0.639 | 0.712 |
| 250 | 30 | 65 | 40 | 450 | 42 | / | 60 | 50 | 8 | 33.3 | 38 | 8 | 4/6 | 1.239 | 1.444 |
| 280 | 35 | 70 | 45 | 500 | 48 | / | 70 | 56 | 10 | 38.3 | 40 | 8 | 4/6 | 1.506 | 1.744 |
| 320 | 35 | 70 | 45 | 550 | 55 | / | 80 | 64 | 10 | 38.3 | 50 | 10 | 6/8 | 2.081 | 2.426 |
| 360 | 40 | 75 | 50 | 650 | 60 | / | 90 | 70 | 12 | 43.3 | 55 | 10 | 6/8 | 2.571 | 2.987 |
| 400 | 40 | 80 | 55 | 700 | 68 | / | 100 | 80 | 12 | 43.3 | 60 | 10 | 8/10 | 3.915 | 4.466 |
| 450 | 45 | 85 | 60 | 800 | 75 | / | 110 | 90 | 14 | 48.8 | 65 | 10 | 8/10 | 4.626 | 5.280 |
| 500 | 50 | 90 | 70 | 90 | 85 | 300 | 125 | 100 | 14 | 53.8 | 75 | 12 | 10/12 | 6.761 | 7.597 |
| 560 | 55 | 95 | 80 | 1000 | 95 | 300 | 140 | 110 | 14 | 59.4 | 85 | 12 | 10/12 | 8.307 | 9.328 |
| 630 | 60 | 100 | 85 | 1100 | 105 | 350 | 160 | 120 | 18 | 64.4 | 95 | 12 | 12/14 | 11.42 | 12.71 |
| 710 | 65 | 105 | 95 | 1200 | 120 | 350 | 175 | 140 | 18 | 69.4 | 105 | 12 | 12/14 | 13.93 | 15.50 |
| 800 | 70 | 110 | 100 | 1400 | 135 | 400 | 200 | 160 | 20 | 74.9 | 120 | 12 | 14/16 | 19.04 | 21.02 |
| 900 | 75 | 120 | 110 | 1600 | 150 | 500 | 225 | 180 | 20 | 79.9 | 130 | 12 | 14/16 | 23.87 | 26.30 |
| 1000 | 80 | 140 | 120 | 1800 | 170 | 600 | 250 | 200 | 22 | 85.4 | 150 | 12 | 16/18 | 35.68 | 38.73 |
| 1120 | 85 | 150 | 130 | 2000 | 190 | 700 | 280 | 220 | 22 | 90.4 | 160 | 16 | 16/18 | 43.39 | 47.06 |
| 1250 | 90 | 160 | 150 | 2200 | 210 | 800 | 310 | 250 | 25 | 95.4 | 180 | 16 | 18/20 | 60.62 | 65.25 |
| 1400 | 100 | 180 | 170 | 2500 | 230 | 900 | 350 | 280 | 28 | 106.4 | 200 | 16 | 18/20 | 79.22 | 85.02 |
| 1600 | 110 | 190 | 180 | 2800 | 270 | 1000 | 400 | 320 | 28 | 116.4 | 230 | 16 | 18/20 | 101.4 | 109.0 |
| 1800 | 120 | 200 | 200 | 3200 | 300 | 1100 | 450 | 350 | 32 | 127.4 | 260 | 16 | 18/20 | 123.7 | 133.3 |
| 2000 | 130 | 210 | 220 | 3500 | 330 | 110 | 500 | 400 | 32 | 137.4 | 290 | 18 | 18/20 | 149.3 | 160.9 |
| 2240 | 140 | 220 | 245 | 4000 | 370 | 1200 | 560 | 440 | 36 | 148.4 | 320 | 18 | 18/20 | 182.1 | 196.5 |
| 2500 | 150 | 230 | 270 | 4500 | 420 | 1200 | 620 | 500 | 36 | 158.4 | 360 | 18 | 20/22 | 224.4 | 293.7 |
| 2800 | 160 | 240 | 300 | 5000 | 470 | 1200 | 700 | 560 | 40 | 169.4 | 400 | 20 | 20/22 | 275.8 | 293.7 |
| 3150 | 170 | 250 | 340 | 5600 | 530 | 1300 | 780 | 630 | 40 | 179.4 | 450 | 20 | 20/22 | 361.6 | 338.7 |
| 3550 | 180 | 260 | 380 | 630 | 590 | 1300 | 880 | 700 | 45 | 190.4 | 500 | 20 | 20/22 | 447.1 | 479.8 |
备注:搅拌器内孔可根据用户要求制作,轮毂高度一般与内孔相一致。
-
本公司生产近30类,计140多种搅拌器,从最常见的(包括已有的HB5标准,SB90标准各种搅拌器)到各种复杂形状或特殊用途的搅拌器。可按H/T2123-91标准的各种规格尺寸系列制造,也可根据用户生产工艺需求,代为设计制造各种特殊要求、特殊规格或特殊用途的搅拌器。
搅拌器型号标注方法:
|
|
| 材料代号 | |
| 搅拌器轴孔径 | |
| 搅拌器的外径, | |
| 搅拌器型式代号 |
曲边斜边桨式
曲边斜叶整体桨式QJ、曲边斜边可拆桨式QCJ
本类搅拌器是斜叶桨式的变型,桨底旋转面接近容器的随圆面,桨叶平面与旋转轴垂直面又成一倾角45°,兼起刮板作用。操作多为低速范围,在层流区操作,常用介质粘度μ<2000cP,n=1-100rpm,v=1.0-5.0m/s。
折叶桨式搅拌器主要尺寸
| DJ | d | d1 | h | SR | H | A1 | A2 | A3 | 键槽 | B | MX | δ | 重量 | ||
| b | t | 不锈钢/碳钢 | 不锈钢 | 碳钢 | |||||||||||
| 200 | 25 | 50 | 35 | 350 | 35 | / | 50 | 40 | 8 | 28.3 | 30 | 8 | 3/4 | 0.605 | 0.666 |
| 220 | 25 | 50 | 35 | 400 | 38 | / | 55 | 44 | 8 | 28.3 | 33 | 8 | 3/4 | 0.639 | 0.712 |
| 250 | 30 | 65 | 40 | 450 | 42 | / | 60 | 50 | 8 | 33.3 | 38 | 8 | 4/6 | 1.239 | 1.444 |
| 280 | 35 | 70 | 45 | 500 | 48 | / | 70 | 56 | 10 | 38.3 | 40 | 8 | 4/6 | 1.506 | 1.744 |
| 320 | 35 | 70 | 45 | 550 | 55 | / | 80 | 64 | 10 | 38.3 | 50 | 10 | 6/8 | 2.081 | 2.426 |
| 360 | 40 | 75 | 50 | 650 | 60 | / | 90 | 70 | 12 | 43.3 | 55 | 10 | 6/8 | 2.571 | 2.987 |
| 400 | 40 | 80 | 55 | 700 | 68 | / | 100 | 80 | 12 | 43.3 | 60 | 10 | 8/10 | 3.915 | 4.466 |
| 450 | 45 | 85 | 60 | 800 | 75 | / | 110 | 90 | 14 | 48.8 | 65 | 10 | 8/10 | 4.626 | 5.280 |
| 500 | 50 | 90 | 70 | 90 | 85 | 300 | 125 | 100 | 14 | 53.8 | 75 | 12 | 10/12 | 6.761 | 7.597 |
| 560 | 55 | 95 | 80 | 1000 | 95 | 300 | 140 | 110 | 14 | 59.4 | 85 | 12 | 10/12 | 8.307 | 9.328 |
| 630 | 60 | 100 | 85 | 1100 | 105 | 350 | 160 | 120 | 18 | 64.4 | 95 | 12 | 12/14 | 11.42 | 12.71 |
| 710 | 65 | 105 | 95 | 1200 | 120 | 350 | 175 | 140 | 18 | 69.4 | 105 | 12 | 12/14 | 13.93 | 15.50 |
| 800 | 70 | 110 | 100 | 1400 | 135 | 400 | 200 | 160 | 20 | 74.9 | 120 | 12 | 14/16 | 19.04 | 21.02 |
| 900 | 75 | 120 | 110 | 1600 | 150 | 500 | 225 | 180 | 20 | 79.9 | 130 | 12 | 14/16 | 23.87 | 26.30 |
| 1000 | 80 | 140 | 120 | 1800 | 170 | 600 | 250 | 200 | 22 | 85.4 | 150 | 12 | 16/18 | 35.68 | 38.73 |
| 1120 | 85 | 150 | 130 | 2000 | 190 | 700 | 280 | 220 | 22 | 90.4 | 160 | 16 | 16/18 | 43.39 | 47.06 |
| 1250 | 90 | 160 | 150 | 2200 | 210 | 800 | 310 | 250 | 25 | 95.4 | 180 | 16 | 18/20 | 60.62 | 65.25 |
| 1400 | 100 | 180 | 170 | 2500 | 230 | 900 | 350 | 280 | 28 | 106.4 | 200 | 16 | 18/20 | 79.22 | 85.02 |
| 1600 | 110 | 190 | 180 | 2800 | 270 | 1000 | 400 | 320 | 28 | 116.4 | 230 | 16 | 18/20 | 101.4 | 109.0 |
| 1800 | 120 | 200 | 200 | 3200 | 300 | 1100 | 450 | 350 | 32 | 127.4 | 260 | 16 | 18/20 | 123.7 | 133.3 |
| 2000 | 130 | 210 | 220 | 3500 | 330 | 110 | 500 | 400 | 32 | 137.4 | 290 | 18 | 18/20 | 149.3 | 160.9 |
| 2240 | 140 | 220 | 245 | 4000 | 370 | 1200 | 560 | 440 | 36 | 148.4 | 320 | 18 | 18/20 | 182.1 | 196.5 |
| 2500 | 150 | 230 | 270 | 4500 | 420 | 1200 | 620 | 500 | 36 | 158.4 | 360 | 18 | 20/22 | 224.4 | 293.7 |
| 2800 | 160 | 240 | 300 | 5000 | 470 | 1200 | 700 | 560 | 40 | 169.4 | 400 | 20 | 20/22 | 275.8 | 293.7 |
| 3150 | 170 | 250 | 340 | 5600 | 530 | 1300 | 780 | 630 | 40 | 179.4 | 450 | 20 | 20/22 | 361.6 | 338.7 |
| 3550 | 180 | 260 | 380 | 630 | 590 | 1300 | 880 | 700 | 45 | 190.4 | 500 | 20 | 20/22 | 447.1 | 479.8 |
备注:搅拌器内孔可根据用户要求制作,轮毂高度一般与内孔相一致。


