产品介绍产品图纸

本公司生产近30类,计140多种搅拌器,从最常见的(包括已有的HB5标准,SB90标准各种搅拌器)到各种复杂形状或特殊用途的搅拌器。可按H/T2123-91标准的各种规格尺寸系列制造,也可根据用户生产工艺需求,代为设计制造各种特殊要求、特殊规格或特殊用途的搅拌器。
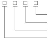
搅拌器型号标注方法:
材料代号
搅拌器轴孔径
搅拌器的外径,
搅拌器型式代号
四叶开启涡轮式搅拌器
四斜叶整体开启涡轮式MK、四斜叶可折开启涡轮式XCK、四斜叶整体稳定器开启涡轮式MKW、四斜叶可拆稳定器涡轮式XCW、四斜窄叶整体开启涡轮式NK、四斜窄叶可拆开启涡轮式NCK、四斜窄叶整体稳定器开启涡轮式NKW、四斜窄叶可拆稳定器开启涡轮式NCW、四叶T型开启涡轮式TCK
本类搅拌器技术性能同六叶开启对应搅拌器,相同运作条件消耗功率、搅拌能力都次于六叶搅拌器。在相对精度高,运转速度大的条件下比六叶更优,搅拌器重量轻,所以应用的稳定器可根据需要制成稳定环或稳定片两种。
四叶开启涡轮搅拌器主要尺寸
DJ
d
d1
h
h1
A
dm1
L
δ
宽形
窄形
不锈钢/碳钢
B
重量 不锈钢/碳钢
B
重量 不锈钢/碳钢
100
16
40
40
10
-
-
-
2/3
20
0.368/0.387
15
0.359/0.373
125
20
45
45
10
-
-
-
2/3
25
0.513/0.544
19
0.497/0.521
160
25
50
50
10
-
-
-
2/3
32
0.704/0.759
24
0.676/0.717
180
30
60
60
10
-
-
-
3/4
36
1.169/1.224
27
1.126/1.168
200
35
70
70
15
135
M8
-
3/4
40
1.818/1.958
30
1.806/1.168
220
35
70
70
15
148
M8
-
3/4
44
2.006/0.022
33
1.842/1.914
250
40
75
75
15
168
M8
-
4/6
50
2.44/2.692
38
2.296/2.484
280
40
75
75
20
188
M8
-
4/6
56
2.604/2.924
42
2.420/2.660
320
40
70
80
20
215
M10
-
6/8
64
3.666/4.066
48
3.294/3.594
45
80
360
45
80
85
20
240
M10
-
6/8
72
4.416/4.936
54
3.932/4.324
50
85
400
50
85
90
20
265
M12
-
8/10
80
6.044/6.66
60
5.24/507
55
90
450
55
90
100
20
300
M12
-
8/10
95
8.054/8.838
68
7.03/7.618
60
100
500
60
100
105
25
335
M12
380
8/10
100
13/13.68
75
11.71/12.14
65
105
560
65
105
110
25
375
M12
400
10/12
112
17.84/18.66
84
15.76/16.26
70
110
630
70
110
120
25
420
M12
420
10/12
126
20.94/22
95
18.1/19.04
75
120
710
75
120
130
25
473
M12
420
10/12
142
25.19/26.71
107
21.91/22.91
80
130
800
80
130
140
25
535
M12
480
12/14
160
34.46/36.22
120
29.34/30.5
85
140
900
85
140
150
30
600
M12
480
12/14
180
43.20/45.47
135
36.6/28.15
90
150
1000
90
150
160
30
670
M16
480
12/14
200
54.72/56.97
150
45.98/47.85
100
160
1120
100
160
180
30
750
M16
480
14/16
224
72.95/76.85
168
60.92/63.05
110
180
1250
110
180
190
30
835
M16
480
14/16
250
88.61/92.72
188
73.45/76.24
120
190
1400
120
190
200
30
935
M16
480
14/16
280
115.42/120.52
210
96.17/99.58
130
200
1600
130
200
210
30
1070
M16
480
16/18
320
158.48/165.02
240
129.32/133.82
140
210
1800
140
210
220
35
1200
M18
480
16/18
360
195.22/203.82
270
157.92/163.92
150
220
2000
150
220
240
35
1335
M18
480
16/18
400
235.88/247.78
300
190.28/198.08
160
240
2240
160
240
250
35
1480
M18
480
18/20
448
323.17/336.17
336
257.07/266.17
170
250
2500
170
250
260
35
1670
M20
480
18/20
500
390.71/413.01
375
322.61/333.91
备注:搅拌器内孔可根据用户要求制作,轮毂高度一般与内孔相一致。

本公司生产近30类,计140多种搅拌器,从最常见的(包括已有的HB5标准,SB90标准各种搅拌器)到各种复杂形状或特殊用途的搅拌器。可按H/T2123-91标准的各种规格尺寸系列制造,也可根据用户生产工艺需求,代为设计制造各种特殊要求、特殊规格或特殊用途的搅拌器。
搅拌器型号标注方法:
材料代号
搅拌器轴孔径
搅拌器的外径,
搅拌器型式代号
四叶开启涡轮式搅拌器
四斜叶整体开启涡轮式MK、四斜叶可折开启涡轮式XCK、四斜叶整体稳定器开启涡轮式MKW、四斜叶可拆稳定器涡轮式XCW、四斜窄叶整体开启涡轮式NK、四斜窄叶可拆开启涡轮式NCK、四斜窄叶整体稳定器开启涡轮式NKW、四斜窄叶可拆稳定器开启涡轮式NCW、四叶T型开启涡轮式TCK
本类搅拌器技术性能同六叶开启对应搅拌器,相同运作条件消耗功率、搅拌能力都次于六叶搅拌器。在相对精度高,运转速度大的条件下比六叶更优,搅拌器重量轻,所以应用的稳定器可根据需要制成稳定环或稳定片两种。
四叶开启涡轮搅拌器主要尺寸
DJ
d
d1
h
h1
A
dm1
L
δ
宽形
窄形
不锈钢/碳钢
B
重量 不锈钢/碳钢
B
重量 不锈钢/碳钢
100
16
40
40
10
-
-
-
2/3
20
0.368/0.387
15
0.359/0.373
125
20
45
45
10
-
-
-
2/3
25
0.513/0.544
19
0.497/0.521
160
25
50
50
10
-
-
-
2/3
32
0.704/0.759
24
0.676/0.717
180
30
60
60
10
-
-
-
3/4
36
1.169/1.224
27
1.126/1.168
200
35
70
70
15
135
M8
-
3/4
40
1.818/1.958
30
1.806/1.168
220
35
70
70
15
148
M8
-
3/4
44
2.006/0.022
33
1.842/1.914
250
40
75
75
15
168
M8
-
4/6
50
2.44/2.692
38
2.296/2.484
280
40
75
75
20
188
M8
-
4/6
56
2.604/2.924
42
2.420/2.660
320
40
70
80
20
215
M10
-
6/8
64
3.666/4.066
48
3.294/3.594
45
80
360
45
80
85
20
240
M10
-
6/8
72
4.416/4.936
54
3.932/4.324
50
85
400
50
85
90
20
265
M12
-
8/10
80
6.044/6.66
60
5.24/507
55
90
450
55
90
100
20
300
M12
-
8/10
95
8.054/8.838
68
7.03/7.618
60
100
500
60
100
105
25
335
M12
380
8/10
100
13/13.68
75
11.71/12.14
65
105
560
65
105
110
25
375
M12
400
10/12
112
17.84/18.66
84
15.76/16.26
70
110
630
70
110
120
25
420
M12
420
10/12
126
20.94/22
95
18.1/19.04
75
120
710
75
120
130
25
473
M12
420
10/12
142
25.19/26.71
107
21.91/22.91
80
130
800
80
130
140
25
535
M12
480
12/14
160
34.46/36.22
120
29.34/30.5
85
140
900
85
140
150
30
600
M12
480
12/14
180
43.20/45.47
135
36.6/28.15
90
150
1000
90
150
160
30
670
M16
480
12/14
200
54.72/56.97
150
45.98/47.85
100
160
1120
100
160
180
30
750
M16
480
14/16
224
72.95/76.85
168
60.92/63.05
110
180
1250
110
180
190
30
835
M16
480
14/16
250
88.61/92.72
188
73.45/76.24
120
190
1400
120
190
200
30
935
M16
480
14/16
280
115.42/120.52
210
96.17/99.58
130
200
1600
130
200
210
30
1070
M16
480
16/18
320
158.48/165.02
240
129.32/133.82
140
210
1800
140
210
220
35
1200
M18
480
16/18
360
195.22/203.82
270
157.92/163.92
150
220
2000
150
220
240
35
1335
M18
480
16/18
400
235.88/247.78
300
190.28/198.08
160
240
2240
160
240
250
35
1480
M18
480
18/20
448
323.17/336.17
336
257.07/266.17
170
250
2500
170
250
260
35
1670
M20
480
18/20
500
390.71/413.01
375
322.61/333.91
备注:搅拌器内孔可根据用户要求制作,轮毂高度一般与内孔相一致。
|
搅拌器型号标注方法:
四叶开启涡轮式搅拌器
四叶开启涡轮搅拌器主要尺寸 |
|||||||||||||||||||||||||||||||||||||||||||||||||||||||||||||||||||||||||||||||||||||||||||||||||||||||||||||||||||||||||||||||||||||||||||||||||||||||||||||||||||||||||||||||||||||||||||||||||||||||||||||||||||||||||||||||||||||||||||||||||||||||||||||||||||||||||||||||||||||||||||||||||||||||||||||||||||||||||||||||||||||||||||||||||||||||||||||||||||||||||||||||||||||||||||||||||||||||||||||||||||||
备注:搅拌器内孔可根据用户要求制作,轮毂高度一般与内孔相一致。 |
|||||||||||||||||||||||||||||||||||||||||||||||||||||||||||||||||||||||||||||||||||||||||||||||||||||||||||||||||||||||||||||||||||||||||||||||||||||||||||||||||||||||||||||||||||||||||||||||||||||||||||||||||||||||||||||||||||||||||||||||||||||||||||||||||||||||||||||||||||||||||||||||||||||||||||||||||||||||||||||||||||||||||||||||||||||||||||||||||||||||||||||||||||||||||||||||||||||||||||||||||||||
|
搅拌器型号标注方法:
四叶开启涡轮式搅拌器
四叶开启涡轮搅拌器主要尺寸 |
|||||||||||||||||||||||||||||||||||||||||||||||||||||||||||||||||||||||||||||||||||||||||||||||||||||||||||||||||||||||||||||||||||||||||||||||||||||||||||||||||||||||||||||||||||||||||||||||||||||||||||||||||||||||||||||||||||||||||||||||||||||||||||||||||||||||||||||||||||||||||||||||||||||||||||||||||||||||||||||||||||||||||||||||||||||||||||||||||||||||||||||||||||||||||||||||||||||||||||||||||||||
备注:搅拌器内孔可根据用户要求制作,轮毂高度一般与内孔相一致。 |
|||||||||||||||||||||||||||||||||||||||||||||||||||||||||||||||||||||||||||||||||||||||||||||||||||||||||||||||||||||||||||||||||||||||||||||||||||||||||||||||||||||||||||||||||||||||||||||||||||||||||||||||||||||||||||||||||||||||||||||||||||||||||||||||||||||||||||||||||||||||||||||||||||||||||||||||||||||||||||||||||||||||||||||||||||||||||||||||||||||||||||||||||||||||||||||||||||||||||||||||||||||


