产品介绍产品图纸
本公司生产近30类,计140多种搅拌器,从最常见的(包括已有的HB5标准,SB90标准各种搅拌器)到各种复杂形状或特殊用途的搅拌器。可按H/T2123-91标准的各种规格尺寸系列制造,也可根据用户生产工艺需求,代为设计制造各种特殊要求、特殊规格或特殊用途的搅拌器。
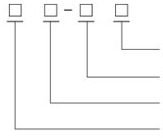
搅拌器型号标注方法:
材料代号
搅拌器轴孔径
搅拌器的外径,
搅拌器型式代号
三窄叶整体旋桨式-ZHX、三窄叶可拆旋桨式-ZCX、三窄叶稳定环旋桨式-ZWX
三窄叶旋桨式搅拌器也是常用的旋桨式搅拌器,性能、应用都相似,相对于宽叶旋桨式,它的排出流量最小些,输入功率小些,常用介质粘度范围μ<10000cP,常用运转速度n=60-500rpm,常用尺寸DJ/D=0.2-0.5,B/DJ=0.2,常用左旋,可做成右旋。
三窄叶旋桨式搅拌器主要尺寸
DJ
d
d1
h
B
h1
d2
H2
D2
δ
重量(kg)(不锈钢/碳钢)
不锈钢/碳钢
ZHX
ZWX
ZCX
200
25
50
50
40
20
M6
30
135
3/4
0.97/0.98
1.272/1.380
1.57/1.58
220
30
60
60
44
20
M6
35
150
3/4
1.5/1.47
1.891/1.988
2.4/2.37
250
35
70
70
50
20
M8
38
170
4/6
2.25/230
2.891/3.256
3.48/3.53
280
35
70
70
56
20
M8
42
190
4/6
2.38/2.48
3.172/3.661
3.61/3.71
320
40
75
75
64
25
M8
50
215
6/8
3.38/3.5
4.981/5.621
5.06/5.18
360
40
75
75
72
25
M8
55
240
6/8
3.71/3.92
5.676/6.524
5.39/5.6
400
45
80
80
80
25
M10
60
270
8/10
5.09/5.36
8.306/9.355
6.8/7.07
450
50
85
85
90
25
M10
70
300
8/10
6.03/6.41
10.2/11.59
7.92/8.3
500
55
90
90
100
25
M12
75
335
8/10
7.2/7.63
12.19/13.83
10.62/11.05
560
60
100
100
112
25
M12
85
375
10/12
10.83/11.35
18.74/20.78
14.55/15.07
630
65
105
105
126
30
M12
95
420
10/12
13.19/13.91
23.09/25.72
17.06/17.78
710
70
110
110
142
30
M12
105
475
10/12
15.44/16.46
27.82/31.22
20.33/21.35
800
75
120
120
160
30
M12
120
535
12/14
22.5/23.68
41.62/45.87
27.75/28.93
900
80
130
130
180
30
M12
135
600
12/14
29.24/30.77
53.36/58.76
34.82/36.35
1000
85
140
140
200
30
M12
150
670
12/14
37.03/38.4
66.961/73.13
44.2/45.57
1120
90
150
150
224
30
M12
165
750
14/16
50.77/52.89
93.77/101.12
58.48/60.6
1250
100
160
160
250
30
M16
190
840
14/16
62.37/72.67
126.2/136.5
70.77/73.56
1400
110
180
180
280
30
M16
210
940
14/16
82.09/85.5
150.68/163.39
92.65/96.06
1600
120
190
190
320
30
M16
240
1070
16/18
114.77/119.23
216.7/233.2
125.84/130.3
1800
130
200
200
360
35
M16
270
1200
16/18
142.5/148.5
271.2/292.3
154.2/160.2
2000
140
210
210
400
35
M16
300
1340
16/18
173.59/182.60
333.2/361.1
185.8/194.9
2240
150
220
220
448
35
M18
335
1500
18/20
238.53/247/63
463.0/495.5
252.6/261.7
2500
160
240
240
500
40
M18
375
1670
18/20
287.68/305.16
567.4/614
302.8/320.3
备注:搅拌器内孔可根据用户要求制和,轮毂高度一般与内孔相一致。
本公司生产近30类,计140多种搅拌器,从最常见的(包括已有的HB5标准,SB90标准各种搅拌器)到各种复杂形状或特殊用途的搅拌器。可按H/T2123-91标准的各种规格尺寸系列制造,也可根据用户生产工艺需求,代为设计制造各种特殊要求、特殊规格或特殊用途的搅拌器。
搅拌器型号标注方法:
材料代号
搅拌器轴孔径
搅拌器的外径,
搅拌器型式代号
三窄叶整体旋桨式-ZHX、三窄叶可拆旋桨式-ZCX、三窄叶稳定环旋桨式-ZWX
三窄叶旋桨式搅拌器也是常用的旋桨式搅拌器,性能、应用都相似,相对于宽叶旋桨式,它的排出流量最小些,输入功率小些,常用介质粘度范围μ<10000cP,常用运转速度n=60-500rpm,常用尺寸DJ/D=0.2-0.5,B/DJ=0.2,常用左旋,可做成右旋。
三窄叶旋桨式搅拌器主要尺寸
DJ
d
d1
h
B
h1
d2
H2
D2
δ
重量(kg)(不锈钢/碳钢)
不锈钢/碳钢
ZHX
ZWX
ZCX
200
25
50
50
40
20
M6
30
135
3/4
0.97/0.98
1.272/1.380
1.57/1.58
220
30
60
60
44
20
M6
35
150
3/4
1.5/1.47
1.891/1.988
2.4/2.37
250
35
70
70
50
20
M8
38
170
4/6
2.25/230
2.891/3.256
3.48/3.53
280
35
70
70
56
20
M8
42
190
4/6
2.38/2.48
3.172/3.661
3.61/3.71
320
40
75
75
64
25
M8
50
215
6/8
3.38/3.5
4.981/5.621
5.06/5.18
360
40
75
75
72
25
M8
55
240
6/8
3.71/3.92
5.676/6.524
5.39/5.6
400
45
80
80
80
25
M10
60
270
8/10
5.09/5.36
8.306/9.355
6.8/7.07
450
50
85
85
90
25
M10
70
300
8/10
6.03/6.41
10.2/11.59
7.92/8.3
500
55
90
90
100
25
M12
75
335
8/10
7.2/7.63
12.19/13.83
10.62/11.05
560
60
100
100
112
25
M12
85
375
10/12
10.83/11.35
18.74/20.78
14.55/15.07
630
65
105
105
126
30
M12
95
420
10/12
13.19/13.91
23.09/25.72
17.06/17.78
710
70
110
110
142
30
M12
105
475
10/12
15.44/16.46
27.82/31.22
20.33/21.35
800
75
120
120
160
30
M12
120
535
12/14
22.5/23.68
41.62/45.87
27.75/28.93
900
80
130
130
180
30
M12
135
600
12/14
29.24/30.77
53.36/58.76
34.82/36.35
1000
85
140
140
200
30
M12
150
670
12/14
37.03/38.4
66.961/73.13
44.2/45.57
1120
90
150
150
224
30
M12
165
750
14/16
50.77/52.89
93.77/101.12
58.48/60.6
1250
100
160
160
250
30
M16
190
840
14/16
62.37/72.67
126.2/136.5
70.77/73.56
1400
110
180
180
280
30
M16
210
940
14/16
82.09/85.5
150.68/163.39
92.65/96.06
1600
120
190
190
320
30
M16
240
1070
16/18
114.77/119.23
216.7/233.2
125.84/130.3
1800
130
200
200
360
35
M16
270
1200
16/18
142.5/148.5
271.2/292.3
154.2/160.2
2000
140
210
210
400
35
M16
300
1340
16/18
173.59/182.60
333.2/361.1
185.8/194.9
2240
150
220
220
448
35
M18
335
1500
18/20
238.53/247/63
463.0/495.5
252.6/261.7
2500
160
240
240
500
40
M18
375
1670
18/20
287.68/305.16
567.4/614
302.8/320.3
备注:搅拌器内孔可根据用户要求制和,轮毂高度一般与内孔相一致。
本公司生产近30类,计140多种搅拌器,从最常见的(包括已有的HB5标准,SB90标准各种搅拌器)到各种复杂形状或特殊用途的搅拌器。可按H/T2123-91标准的各种规格尺寸系列制造,也可根据用户生产工艺需求,代为设计制造各种特殊要求、特殊规格或特殊用途的搅拌器。
搅拌器型号标注方法:
|
|
| 材料代号 | |
| 搅拌器轴孔径 | |
| 搅拌器的外径, | |
| 搅拌器型式代号 |
三窄叶整体旋桨式-ZHX、三窄叶可拆旋桨式-ZCX、三窄叶稳定环旋桨式-ZWX
三窄叶旋桨式搅拌器也是常用的旋桨式搅拌器,性能、应用都相似,相对于宽叶旋桨式,它的排出流量最小些,输入功率小些,常用介质粘度范围μ<10000cP,常用运转速度n=60-500rpm,常用尺寸DJ/D=0.2-0.5,B/DJ=0.2,常用左旋,可做成右旋。
三窄叶旋桨式搅拌器主要尺寸
| DJ | d | d1 | h | B | h1 | d2 | H2 | D2 | δ | 重量(kg)(不锈钢/碳钢) | ||
| 不锈钢/碳钢 | ZHX | ZWX | ZCX | |||||||||
| 200 | 25 | 50 | 50 | 40 | 20 | M6 | 30 | 135 | 3/4 | 0.97/0.98 | 1.272/1.380 | 1.57/1.58 |
| 220 | 30 | 60 | 60 | 44 | 20 | M6 | 35 | 150 | 3/4 | 1.5/1.47 | 1.891/1.988 | 2.4/2.37 |
| 250 | 35 | 70 | 70 | 50 | 20 | M8 | 38 | 170 | 4/6 | 2.25/230 | 2.891/3.256 | 3.48/3.53 |
| 280 | 35 | 70 | 70 | 56 | 20 | M8 | 42 | 190 | 4/6 | 2.38/2.48 | 3.172/3.661 | 3.61/3.71 |
| 320 | 40 | 75 | 75 | 64 | 25 | M8 | 50 | 215 | 6/8 | 3.38/3.5 | 4.981/5.621 | 5.06/5.18 |
| 360 | 40 | 75 | 75 | 72 | 25 | M8 | 55 | 240 | 6/8 | 3.71/3.92 | 5.676/6.524 | 5.39/5.6 |
| 400 | 45 | 80 | 80 | 80 | 25 | M10 | 60 | 270 | 8/10 | 5.09/5.36 | 8.306/9.355 | 6.8/7.07 |
| 450 | 50 | 85 | 85 | 90 | 25 | M10 | 70 | 300 | 8/10 | 6.03/6.41 | 10.2/11.59 | 7.92/8.3 |
| 500 | 55 | 90 | 90 | 100 | 25 | M12 | 75 | 335 | 8/10 | 7.2/7.63 | 12.19/13.83 | 10.62/11.05 |
| 560 | 60 | 100 | 100 | 112 | 25 | M12 | 85 | 375 | 10/12 | 10.83/11.35 | 18.74/20.78 | 14.55/15.07 |
| 630 | 65 | 105 | 105 | 126 | 30 | M12 | 95 | 420 | 10/12 | 13.19/13.91 | 23.09/25.72 | 17.06/17.78 |
| 710 | 70 | 110 | 110 | 142 | 30 | M12 | 105 | 475 | 10/12 | 15.44/16.46 | 27.82/31.22 | 20.33/21.35 |
| 800 | 75 | 120 | 120 | 160 | 30 | M12 | 120 | 535 | 12/14 | 22.5/23.68 | 41.62/45.87 | 27.75/28.93 |
| 900 | 80 | 130 | 130 | 180 | 30 | M12 | 135 | 600 | 12/14 | 29.24/30.77 | 53.36/58.76 | 34.82/36.35 |
| 1000 | 85 | 140 | 140 | 200 | 30 | M12 | 150 | 670 | 12/14 | 37.03/38.4 | 66.961/73.13 | 44.2/45.57 |
| 1120 | 90 | 150 | 150 | 224 | 30 | M12 | 165 | 750 | 14/16 | 50.77/52.89 | 93.77/101.12 | 58.48/60.6 |
| 1250 | 100 | 160 | 160 | 250 | 30 | M16 | 190 | 840 | 14/16 | 62.37/72.67 | 126.2/136.5 | 70.77/73.56 |
| 1400 | 110 | 180 | 180 | 280 | 30 | M16 | 210 | 940 | 14/16 | 82.09/85.5 | 150.68/163.39 | 92.65/96.06 |
| 1600 | 120 | 190 | 190 | 320 | 30 | M16 | 240 | 1070 | 16/18 | 114.77/119.23 | 216.7/233.2 | 125.84/130.3 |
| 1800 | 130 | 200 | 200 | 360 | 35 | M16 | 270 | 1200 | 16/18 | 142.5/148.5 | 271.2/292.3 | 154.2/160.2 |
| 2000 | 140 | 210 | 210 | 400 | 35 | M16 | 300 | 1340 | 16/18 | 173.59/182.60 | 333.2/361.1 | 185.8/194.9 |
| 2240 | 150 | 220 | 220 | 448 | 35 | M18 | 335 | 1500 | 18/20 | 238.53/247/63 | 463.0/495.5 | 252.6/261.7 |
| 2500 | 160 | 240 | 240 | 500 | 40 | M18 | 375 | 1670 | 18/20 | 287.68/305.16 | 567.4/614 | 302.8/320.3 |
-
本公司生产近30类,计140多种搅拌器,从最常见的(包括已有的HB5标准,SB90标准各种搅拌器)到各种复杂形状或特殊用途的搅拌器。可按H/T2123-91标准的各种规格尺寸系列制造,也可根据用户生产工艺需求,代为设计制造各种特殊要求、特殊规格或特殊用途的搅拌器。
搅拌器型号标注方法:
|
|
| 材料代号 | |
| 搅拌器轴孔径 | |
| 搅拌器的外径, | |
| 搅拌器型式代号 |
三窄叶整体旋桨式-ZHX、三窄叶可拆旋桨式-ZCX、三窄叶稳定环旋桨式-ZWX
三窄叶旋桨式搅拌器也是常用的旋桨式搅拌器,性能、应用都相似,相对于宽叶旋桨式,它的排出流量最小些,输入功率小些,常用介质粘度范围μ<10000cP,常用运转速度n=60-500rpm,常用尺寸DJ/D=0.2-0.5,B/DJ=0.2,常用左旋,可做成右旋。
三窄叶旋桨式搅拌器主要尺寸
| DJ | d | d1 | h | B | h1 | d2 | H2 | D2 | δ | 重量(kg)(不锈钢/碳钢) | ||
| 不锈钢/碳钢 | ZHX | ZWX | ZCX | |||||||||
| 200 | 25 | 50 | 50 | 40 | 20 | M6 | 30 | 135 | 3/4 | 0.97/0.98 | 1.272/1.380 | 1.57/1.58 |
| 220 | 30 | 60 | 60 | 44 | 20 | M6 | 35 | 150 | 3/4 | 1.5/1.47 | 1.891/1.988 | 2.4/2.37 |
| 250 | 35 | 70 | 70 | 50 | 20 | M8 | 38 | 170 | 4/6 | 2.25/230 | 2.891/3.256 | 3.48/3.53 |
| 280 | 35 | 70 | 70 | 56 | 20 | M8 | 42 | 190 | 4/6 | 2.38/2.48 | 3.172/3.661 | 3.61/3.71 |
| 320 | 40 | 75 | 75 | 64 | 25 | M8 | 50 | 215 | 6/8 | 3.38/3.5 | 4.981/5.621 | 5.06/5.18 |
| 360 | 40 | 75 | 75 | 72 | 25 | M8 | 55 | 240 | 6/8 | 3.71/3.92 | 5.676/6.524 | 5.39/5.6 |
| 400 | 45 | 80 | 80 | 80 | 25 | M10 | 60 | 270 | 8/10 | 5.09/5.36 | 8.306/9.355 | 6.8/7.07 |
| 450 | 50 | 85 | 85 | 90 | 25 | M10 | 70 | 300 | 8/10 | 6.03/6.41 | 10.2/11.59 | 7.92/8.3 |
| 500 | 55 | 90 | 90 | 100 | 25 | M12 | 75 | 335 | 8/10 | 7.2/7.63 | 12.19/13.83 | 10.62/11.05 |
| 560 | 60 | 100 | 100 | 112 | 25 | M12 | 85 | 375 | 10/12 | 10.83/11.35 | 18.74/20.78 | 14.55/15.07 |
| 630 | 65 | 105 | 105 | 126 | 30 | M12 | 95 | 420 | 10/12 | 13.19/13.91 | 23.09/25.72 | 17.06/17.78 |
| 710 | 70 | 110 | 110 | 142 | 30 | M12 | 105 | 475 | 10/12 | 15.44/16.46 | 27.82/31.22 | 20.33/21.35 |
| 800 | 75 | 120 | 120 | 160 | 30 | M12 | 120 | 535 | 12/14 | 22.5/23.68 | 41.62/45.87 | 27.75/28.93 |
| 900 | 80 | 130 | 130 | 180 | 30 | M12 | 135 | 600 | 12/14 | 29.24/30.77 | 53.36/58.76 | 34.82/36.35 |
| 1000 | 85 | 140 | 140 | 200 | 30 | M12 | 150 | 670 | 12/14 | 37.03/38.4 | 66.961/73.13 | 44.2/45.57 |
| 1120 | 90 | 150 | 150 | 224 | 30 | M12 | 165 | 750 | 14/16 | 50.77/52.89 | 93.77/101.12 | 58.48/60.6 |
| 1250 | 100 | 160 | 160 | 250 | 30 | M16 | 190 | 840 | 14/16 | 62.37/72.67 | 126.2/136.5 | 70.77/73.56 |
| 1400 | 110 | 180 | 180 | 280 | 30 | M16 | 210 | 940 | 14/16 | 82.09/85.5 | 150.68/163.39 | 92.65/96.06 |
| 1600 | 120 | 190 | 190 | 320 | 30 | M16 | 240 | 1070 | 16/18 | 114.77/119.23 | 216.7/233.2 | 125.84/130.3 |
| 1800 | 130 | 200 | 200 | 360 | 35 | M16 | 270 | 1200 | 16/18 | 142.5/148.5 | 271.2/292.3 | 154.2/160.2 |
| 2000 | 140 | 210 | 210 | 400 | 35 | M16 | 300 | 1340 | 16/18 | 173.59/182.60 | 333.2/361.1 | 185.8/194.9 |
| 2240 | 150 | 220 | 220 | 448 | 35 | M18 | 335 | 1500 | 18/20 | 238.53/247/63 | 463.0/495.5 | 252.6/261.7 |
| 2500 | 160 | 240 | 240 | 500 | 40 | M18 | 375 | 1670 | 18/20 | 287.68/305.16 | 567.4/614 | 302.8/320.3 |


