产品介绍产品图纸
本公司生产近30类,计140多种搅拌器,从最常见的(包括已有的HB5标准,SB90标准各种搅拌器)到各种复杂形状或特殊用途的搅拌器。可按H/T2123-91标准的各种规格尺寸系列制造,也可根据用户生产工艺需求,代为设计制造各种特殊要求、特殊规格或特殊用途的搅拌器。
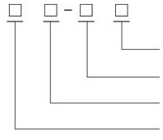
搅拌器型号标注方法:
材料代号
搅拌器轴孔径
搅拌器的外径,
搅拌器型式代号
螺杆式搅拌器
螺杆式-LG、带导流筒螺杆式-LGH
此类搅拌器为慢速型搅拌器,在层流区操作,液体沿着螺旋面上升或下降形成轴向的上下循环,适用于中高粘度液的混合和传热等过程,螺杆式搅拌直径小、轴向推力大,可偏心放置,桨叶离槽壁的距离<1/20DJ,槽壁可挡板作用,螺杆带上导流筒,轴向流动加强,在导流筒内外形成向下向上的循环。常用介质粘μ<105cP,常用运转速度n=0.5-50rpm,v<1m/s。
螺杆式、带导流筒螺杆式搅拌主要参数
DJ
d
s
δ
h
h1
d1
δ1
重量(kg)
LG
KGH
80
30
80
2
200
160
88
2
1.297
2.054
100
40
100
2
250
200
110
2
2.752
3.936
125
45
125
3
310
250
150
2
4.585
6.435
160
50
160
3
400
320
190
2
7.355
10.39
180
55
180
4
450
360
215
3
10.41
16.16
200
60
200
4
500
400
240
3
13.59
20.7
220
65
220
6
550
440
260
3
18.88
27.47
250
70
250
6
620
500
300
4
24.83
39.63
280
75
280
8
700
560
330
4
34.32
52.88
320
80
320
8
800
640
380
4
44.85
69.1
360
90
360
10
900
720
430
6
45.96
112
400
100
400
10
1000
800
480
6
87.60
144.4
450
110
450
12
1120
900
540
6
123.5
195.4
500
120
500
12
1250
1000
600
8
159.4
277.7
560
130
560
14
1400
1120
670
8
218
366.5
630
140
630
14
1570
1260
750
8
282.2
470.1
710
150
710
16
1770
1420
850
10
380.4
678.8
800
160
800
16
2000
1600
960
10
487.2
866.0
备注 :重量包括h高度内轴的重量,用户可根据需要确定桨高。
本公司生产近30类,计140多种搅拌器,从最常见的(包括已有的HB5标准,SB90标准各种搅拌器)到各种复杂形状或特殊用途的搅拌器。可按H/T2123-91标准的各种规格尺寸系列制造,也可根据用户生产工艺需求,代为设计制造各种特殊要求、特殊规格或特殊用途的搅拌器。
搅拌器型号标注方法:
材料代号
搅拌器轴孔径
搅拌器的外径,
搅拌器型式代号
螺杆式搅拌器
螺杆式-LG、带导流筒螺杆式-LGH
此类搅拌器为慢速型搅拌器,在层流区操作,液体沿着螺旋面上升或下降形成轴向的上下循环,适用于中高粘度液的混合和传热等过程,螺杆式搅拌直径小、轴向推力大,可偏心放置,桨叶离槽壁的距离<1/20DJ,槽壁可挡板作用,螺杆带上导流筒,轴向流动加强,在导流筒内外形成向下向上的循环。常用介质粘μ<105cP,常用运转速度n=0.5-50rpm,v<1m/s。
螺杆式、带导流筒螺杆式搅拌主要参数
DJ
d
s
δ
h
h1
d1
δ1
重量(kg)
LG
KGH
80
30
80
2
200
160
88
2
1.297
2.054
100
40
100
2
250
200
110
2
2.752
3.936
125
45
125
3
310
250
150
2
4.585
6.435
160
50
160
3
400
320
190
2
7.355
10.39
180
55
180
4
450
360
215
3
10.41
16.16
200
60
200
4
500
400
240
3
13.59
20.7
220
65
220
6
550
440
260
3
18.88
27.47
250
70
250
6
620
500
300
4
24.83
39.63
280
75
280
8
700
560
330
4
34.32
52.88
320
80
320
8
800
640
380
4
44.85
69.1
360
90
360
10
900
720
430
6
45.96
112
400
100
400
10
1000
800
480
6
87.60
144.4
450
110
450
12
1120
900
540
6
123.5
195.4
500
120
500
12
1250
1000
600
8
159.4
277.7
560
130
560
14
1400
1120
670
8
218
366.5
630
140
630
14
1570
1260
750
8
282.2
470.1
710
150
710
16
1770
1420
850
10
380.4
678.8
800
160
800
16
2000
1600
960
10
487.2
866.0
备注 :重量包括h高度内轴的重量,用户可根据需要确定桨高。
本公司生产近30类,计140多种搅拌器,从最常见的(包括已有的HB5标准,SB90标准各种搅拌器)到各种复杂形状或特殊用途的搅拌器。可按H/T2123-91标准的各种规格尺寸系列制造,也可根据用户生产工艺需求,代为设计制造各种特殊要求、特殊规格或特殊用途的搅拌器。
搅拌器型号标注方法:
|
|
| 材料代号 | |
| 搅拌器轴孔径 | |
| 搅拌器的外径, | |
| 搅拌器型式代号 |
螺杆式搅拌器
螺杆式-LG、带导流筒螺杆式-LGH
此类搅拌器为慢速型搅拌器,在层流区操作,液体沿着螺旋面上升或下降形成轴向的上下循环,适用于中高粘度液的混合和传热等过程,螺杆式搅拌直径小、轴向推力大,可偏心放置,桨叶离槽壁的距离<1/20DJ,槽壁可挡板作用,螺杆带上导流筒,轴向流动加强,在导流筒内外形成向下向上的循环。常用介质粘μ<105cP,常用运转速度n=0.5-50rpm,v<1m/s。
螺杆式、带导流筒螺杆式搅拌主要参数
| DJ | d | s | δ | h | h1 | d1 | δ1 | 重量(kg) | |
| LG | KGH | ||||||||
| 80 | 30 | 80 | 2 | 200 | 160 | 88 | 2 | 1.297 | 2.054 |
| 100 | 40 | 100 | 2 | 250 | 200 | 110 | 2 | 2.752 | 3.936 |
| 125 | 45 | 125 | 3 | 310 | 250 | 150 | 2 | 4.585 | 6.435 |
| 160 | 50 | 160 | 3 | 400 | 320 | 190 | 2 | 7.355 | 10.39 |
| 180 | 55 | 180 | 4 | 450 | 360 | 215 | 3 | 10.41 | 16.16 |
| 200 | 60 | 200 | 4 | 500 | 400 | 240 | 3 | 13.59 | 20.7 |
| 220 | 65 | 220 | 6 | 550 | 440 | 260 | 3 | 18.88 | 27.47 |
| 250 | 70 | 250 | 6 | 620 | 500 | 300 | 4 | 24.83 | 39.63 |
| 280 | 75 | 280 | 8 | 700 | 560 | 330 | 4 | 34.32 | 52.88 |
| 320 | 80 | 320 | 8 | 800 | 640 | 380 | 4 | 44.85 | 69.1 |
| 360 | 90 | 360 | 10 | 900 | 720 | 430 | 6 | 45.96 | 112 |
| 400 | 100 | 400 | 10 | 1000 | 800 | 480 | 6 | 87.60 | 144.4 |
| 450 | 110 | 450 | 12 | 1120 | 900 | 540 | 6 | 123.5 | 195.4 |
| 500 | 120 | 500 | 12 | 1250 | 1000 | 600 | 8 | 159.4 | 277.7 |
| 560 | 130 | 560 | 14 | 1400 | 1120 | 670 | 8 | 218 | 366.5 |
| 630 | 140 | 630 | 14 | 1570 | 1260 | 750 | 8 | 282.2 | 470.1 |
| 710 | 150 | 710 | 16 | 1770 | 1420 | 850 | 10 | 380.4 | 678.8 |
| 800 | 160 | 800 | 16 | 2000 | 1600 | 960 | 10 | 487.2 | 866.0 |
备注 :重量包括h高度内轴的重量,用户可根据需要确定桨高。
-
本公司生产近30类,计140多种搅拌器,从最常见的(包括已有的HB5标准,SB90标准各种搅拌器)到各种复杂形状或特殊用途的搅拌器。可按H/T2123-91标准的各种规格尺寸系列制造,也可根据用户生产工艺需求,代为设计制造各种特殊要求、特殊规格或特殊用途的搅拌器。
搅拌器型号标注方法:
|
|
| 材料代号 | |
| 搅拌器轴孔径 | |
| 搅拌器的外径, | |
| 搅拌器型式代号 |
螺杆式搅拌器
螺杆式-LG、带导流筒螺杆式-LGH
此类搅拌器为慢速型搅拌器,在层流区操作,液体沿着螺旋面上升或下降形成轴向的上下循环,适用于中高粘度液的混合和传热等过程,螺杆式搅拌直径小、轴向推力大,可偏心放置,桨叶离槽壁的距离<1/20DJ,槽壁可挡板作用,螺杆带上导流筒,轴向流动加强,在导流筒内外形成向下向上的循环。常用介质粘μ<105cP,常用运转速度n=0.5-50rpm,v<1m/s。
螺杆式、带导流筒螺杆式搅拌主要参数
| DJ | d | s | δ | h | h1 | d1 | δ1 | 重量(kg) | |
| LG | KGH | ||||||||
| 80 | 30 | 80 | 2 | 200 | 160 | 88 | 2 | 1.297 | 2.054 |
| 100 | 40 | 100 | 2 | 250 | 200 | 110 | 2 | 2.752 | 3.936 |
| 125 | 45 | 125 | 3 | 310 | 250 | 150 | 2 | 4.585 | 6.435 |
| 160 | 50 | 160 | 3 | 400 | 320 | 190 | 2 | 7.355 | 10.39 |
| 180 | 55 | 180 | 4 | 450 | 360 | 215 | 3 | 10.41 | 16.16 |
| 200 | 60 | 200 | 4 | 500 | 400 | 240 | 3 | 13.59 | 20.7 |
| 220 | 65 | 220 | 6 | 550 | 440 | 260 | 3 | 18.88 | 27.47 |
| 250 | 70 | 250 | 6 | 620 | 500 | 300 | 4 | 24.83 | 39.63 |
| 280 | 75 | 280 | 8 | 700 | 560 | 330 | 4 | 34.32 | 52.88 |
| 320 | 80 | 320 | 8 | 800 | 640 | 380 | 4 | 44.85 | 69.1 |
| 360 | 90 | 360 | 10 | 900 | 720 | 430 | 6 | 45.96 | 112 |
| 400 | 100 | 400 | 10 | 1000 | 800 | 480 | 6 | 87.60 | 144.4 |
| 450 | 110 | 450 | 12 | 1120 | 900 | 540 | 6 | 123.5 | 195.4 |
| 500 | 120 | 500 | 12 | 1250 | 1000 | 600 | 8 | 159.4 | 277.7 |
| 560 | 130 | 560 | 14 | 1400 | 1120 | 670 | 8 | 218 | 366.5 |
| 630 | 140 | 630 | 14 | 1570 | 1260 | 750 | 8 | 282.2 | 470.1 |
| 710 | 150 | 710 | 16 | 1770 | 1420 | 850 | 10 | 380.4 | 678.8 |
| 800 | 160 | 800 | 16 | 2000 | 1600 | 960 | 10 | 487.2 | 866.0 |
备注 :重量包括h高度内轴的重量,用户可根据需要确定桨高。


