产品介绍产品图纸
产品编号:288493414
产品名称:QXSH型减速机
产品类别:三环减速机
产品型号:QXSH型减速机
尺寸
产品名称: QXSH型减速机
产品概述:
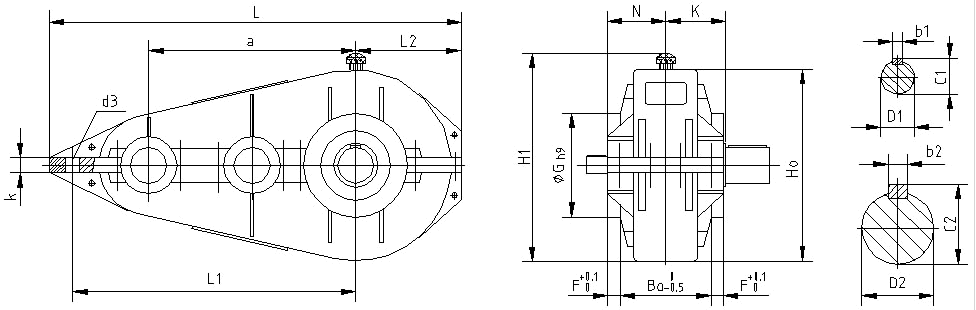
QXSH型减速机外形尺寸,见图19、表22:
图19 QXSH型减速机外形尺寸
表22 QXSH型减速机外形尺寸
规
格
中 心 尺 寸
轮 廓 尺 寸
安 装 尺 寸
其 他 尺 寸
质量
(kg)
a
H0
H1
L
d3
L1
k
G
B0
F
L2
N
K
250
250
245
515
480
18
335
20
150
154
18
140
100
103
69
320
320
310
335
670
24
460
25
160
165
20
183
120
125
127
400
400
376
411
815
30
565
32
190
200
20
215
140
145
211
500
500
466
490
990
36
700
40
220
260
25
250
175
180
334
630
630
606
630
1250
42
870
50
260
280
30
330
210
210
708
注:减速机的轴伸尺寸参见图18、表21
产品编号:288493414
产品名称:QXSH型减速机
产品类别:三环减速机
产品型号:QXSH型减速机
| 尺寸 | |||||||||||||||||||||||||||||||||||||||||||||||||||||||||||||||||||||||||||||||||||||||||||||||||||||||||||||||||
|
|||||||||||||||||||||||||||||||||||||||||||||||||||||||||||||||||||||||||||||||||||||||||||||||||||||||||||||||||


