产品介绍产品图纸
产品编号:288392214
产品名称:MSH型减速机
产品类别:三环减速机
产品型号:MSH型减速机
尺寸
产品名称:
产品概述:
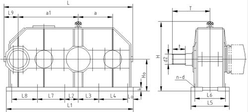
2.3.6 MSH型减速机外形尺寸,见图14、表16:
图14 MSH型减速机外形尺寸
MSH型速机外形尺寸
规
格
中 心 尺 寸
轮 廓 尺 寸
地 脚 螺 栓
输 出 轴 伸
所配电机
质量
(kg)
a1 a H0
H L L1 L5 L9
d n k L2 L3 L4 L6 L7 L8 L0
花 键
t T
350
570 350 325
678 1275 1230 400 155
M24 10 27 320 245 245 350 320 40
EXT36Z×3m×30R×6f
170 490
YEJ132
750
400
650 400 400
845 1430 1380 480 160
M30 12 33 340 280 280 415 360 45
EXT44Z×3m×30R×6f
190 537
YEJ160
1420
500
820 500 475
990 1800 1740 570 190
M36 12 40 200 300 400 500 400 300 60
EXT60Z×3m×30R×6f
265 673
YEJ180
2620
550
910 550 560
1110 2000 1920 610 215
M36 12 40 250 390 390 530 380 380 65
EXT40Z×5m×30R×6f
300 750
YEJ200
3430
600
1000 600 630
1270 2200 2100 670 240
M42 12 45 300 420 420 580 400 400 80
EXT45Z×5m×30R×6f
360 800
YEJ225
4310
产品编号:288392214
产品名称:MSH型减速机
产品类别:三环减速机
产品型号:MSH型减速机
| 尺寸 | ||||||||||||||||||||||||||||||||||||||||||||||||||||||||||||
|
||||||||||||||||||||||||||||||||||||||||||||||||||||||||||||


