产品介绍产品图纸
产品编号:1231543514
产品名称:NGW行星齿轮减速器
产品类别:行星齿轮减速机系列
特点和适用范围
结构特点
NGW型行星齿轮减速机主要构建有太阳轮、行星轮、内齿圈、行星架。
为了使三个行星轮的载荷均匀分配,采用了齿式浮动机构,即太阳轮或行星架浮动,或者太阳轮、行星架两者同时浮动。减速机中的齿轮为直齿渐开线圆柱齿轮。具有一下特点:
1、体积小、重量轻、在相同情况下,比普通渐开线圆柱齿轮减速机重量轻1/2以上,体积小1/2~1/3。
2、传动效率高:单级行星齿轮减速机达97%~98%;两级行星齿轮减速机达94%~96%;三级行星齿轮减速机91%~94%。
3、传动功率范围大:可以从小于1KW至1300KW,甚至更大。
4、传动范围大:i=2.8~2000
5、适应性强且耐用。主要零件均采用优质合金钢经渗碳淬火或氮化处理,行星齿轮减速机运转平稳、噪音小、使用受命10以上。
6、用途和适用条件
NGW型行星齿轮减速器有单级(NGW11—NGW121),两级(NGW42—NGW122)三级 (NGW73—NGW123)三个卧式系列。主要用于冶金、矿山、起重运输机械设备,也可用于其它类似工矿条件下作动力传动。
高速轴最高速不超过1500r/min
齿轮圆周速度不超过10m/s;
工作环境温度为-40℃—45℃;
可正反两向运转。NGW型行星齿轮减速器的一个重要特点是,内啮合于外啮合之间共用一个行星轮,NGW就是由“内、公、外”三字的汉语拼音的第一个字母组成的。
本系列减速器的规格的规定是根据传动比、功率和扭矩大小划分成12个机座号,及单级、双级和三级传动,共有27个机座号,58种速比,详细如下:
传动类别
型号规格
传动比
组成台数
机座号
种数
范围
种数
单级
NGW42—NGW121
12
2.8—12.5
14
12×14=168
双级
NGW42—NGW122
9
14—160
22
9×22=198
三级
NGW73—NGW123
6
180—200
22
6×22=132
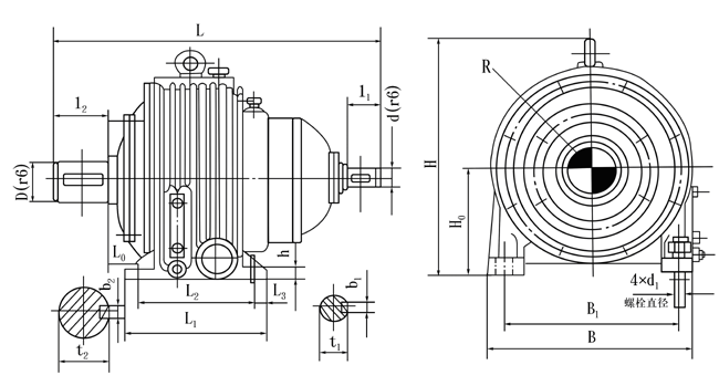
NGW单级减速器外形尺寸(JB1799-76)
型号 规格
公称 传动比i0
外形及中心高
轴伸
地脚尺寸
质量 kg
L
B
H
H0
R
d
D
l1
l2
t1
b1
t2
b2
L1
L2
L3
L0
B1
d1
h
NGW 11
2.8-4.5
530
280
295
125 0 -0.5
125
35
50
55
85
38.5
10
55
16
215
165
25
105
220
M16
20
53
5-12.5
477
30
50
33
8
57
50
NGW 21
2.8-4.5
604
305
325
140 0 -0.5
140
40
60
70
105
43.5
12
65.5
18
245
185
30
115.5
235
M20
25
80
5-12.5
535
35
55
38.5
10
60.5
73
NGW 31
2.8-4.5
632
350
365
160 0 -0.5
160
45
70
70
105
49
14
76
20
260
200
30
125
270
M20
25
100
5-12.5
569
40
70
43.5
12
62
98
NGW 41
2.8-4.5
734
380
425.5
180 0 -0.5
180
50
80
85
105
55
16
87
24
290
230
30
156
320
M24
30
147
5-12.5
634
45
70
50
14
72
128
NGW 51
2.8-4.5
845
420
463.5
200 0 -0.5
200
55
90
85
115
60
16
97
24
310
250
30
196.5
360
M24
35
213
5-12.5
729
50
85
55
16
80.5
193
NGW 61
2.8-4.5
886
475
524
225 0 -0.5
225
60
100
105
125
65.5
18
108
28
360
290
35
202.5
405
M30
40
289
5-12.5
731
55
85
60
16
67.5
264
NGW 71
2.8-4.5
933
535
574
250 0 -0.5
250
65
110
105
140
70.5
18
119
32
375
305
35
213
465
M30
40
359
5-12.5
800
60
105
65.5
18
80
301
NGW 81
2.8-4.5
1042
590
634
280 0 -0.5
280
75
120
115
160
81
20
129
32
440
350
45
219
510
M36
45
449
5-12.5
899
65
105
70.5
18
86
399
NGW 91
2.8-4.5
1141
660
721
315 0 -0.5
315
85
130
125
165
92
24
140
36
475
385
45
225.5
570
M36
45
604
5-12.5
976
75
115
81
20
70.5
542
NGW 101
2.8-4.5
1261
745
800
355 0 -0.5
355
95
150
140
200
103
28
161
40
525
425
50
251
645
M42
50
810
5-12.5
1073
85
125
92
24
78
732
NGW 111
2.8-4.5
1355
840
891
400 0 -0.5
400
105
170
160
200
113
28
181
40
580
480
50
263
740
M42
55
1060
5-12.5
1145
95
140
103
28
73
990
NGW 121
2.8-4.5
1500
950
1013
450 0 -0.5
455
115
190
160
240
124
32
202
45
680
560
60
288
820
M48
60
1638
5-12.5
1286
105
160
113
28
73
1475
型号 规格
公称传 动比i0
外形及中心高
轴伸
地脚尺寸
质量 /kg
L
B
H
H0
R
d
D
l1
l2
t1
b1
t2
b2
L1
L2
L3
L0
B1
d1
h
NGW 42
14-22.5
687
380
425.5
180 0 -0.5
180
35
80
55
105
28.5
10
87
24
290
230
30
72
320
M24
30
128
25-160
687
30
55
33
8
130
NGW 52
14-22.5
767
420
463.5
200 0 -0.5
200
40
90
70
115
43.5
12
97
24
310
250
30
80.5
360
M24
35
244
25-160
752
35
55
38.5
10
241
NGW 62
14-22.5
805.5
475
524
225 0 -0.5
225
45
100
70
125
49
14
108
28
360
290
35
67.5
405
M30
40
291
25-160
805.5
40
70
43.5
12
279
NGW 72
14-22.5
890
535
574
250 0 -0.5
250
50
110
85
140
55
16
119
32
375
305
35
80
465
M30
40
350
25-160
875
45
70
49
14
350
NGW 82
14-22.5
976.5
590
634
280 0 -0.5
280
55
120
85
160
60
16
129
32
440
350
45
86
510
M36
45
488
25-160
976.5
50
85
55
16
460
NGW 92
14-22.5
1040
660
721
315 0 -0.5
315
60
130
105
165
65.5
18
140
36
475
385
45
70.5
570
M36
45
607
25-160
1020
55
85
60
16
577
NGW 102
14-22.5
1144
745
800
355 0 -0.5
355
65
150
105
200
70.5
18
161
40
525
425
50
78
645
M42
50
895
25-160
1144
60
105
65.5
18
895
NGW 112
14-22.5
1222
840
891
400 0 -0.5
400
75
170
115
200
81
20
181
40
580
480
50
73
740
M42
55
1120
25-160
1212
65
105
70.5
18
1075
NGW 122
14-22.5
1385
950
1013
450 0 -0.5
455
85
190
125
240
92
24
202
45
680
560
60
73
820
M48
60
1733
25-160
1375
75
115
81
20
1539
型号 规格
公称传 动比i0
外形及中心高
轴伸
地脚尺寸
质量 /kg
L
B
H
H0
R
d
D
l1
l2
t1
b1
t2
b2
L1
L2
L3
L0
B1
d1
h
NGW73
180-2000
973.5
535
574
250 0 -0.5
250
30
110
55
140
33
8
119
32
375
305
35
80
465
M30
40
382
NGW83
1071
590
1071
590
634
280 0 -0.5
280
35
120
55
160
38.5
10
129
32
440
350
45
86
510
M36
NGW93
1137.5
660
721
315 0 -0.5
315
40
130
70
165
43.5
12
140
36
475
385
45
70.5
570
M36
45
627
NGW103
1263
745
800
355 0 -0.5
355
45
150
70
200
49
14
161
40
525
425
50
78
645
M42
50
962
NGW113
1359.5
840
891
400 0 -0.5
400
50
170
85
200
55
16
181
40
580
480
50
73
740
M42
55
1163
NGW123
1504
950
1013
450 0 -0.5
455
55
190
85
240
60
16
202
45
680
560
60
73
820
M48
60
1756
产品编号:1231543514
产品名称:NGW行星齿轮减速器
产品类别:行星齿轮减速机系列
特点和适用范围
结构特点
NGW型行星齿轮减速机主要构建有太阳轮、行星轮、内齿圈、行星架。
为了使三个行星轮的载荷均匀分配,采用了齿式浮动机构,即太阳轮或行星架浮动,或者太阳轮、行星架两者同时浮动。减速机中的齿轮为直齿渐开线圆柱齿轮。具有一下特点:
1、体积小、重量轻、在相同情况下,比普通渐开线圆柱齿轮减速机重量轻1/2以上,体积小1/2~1/3。
2、传动效率高:单级行星齿轮减速机达97%~98%;两级行星齿轮减速机达94%~96%;三级行星齿轮减速机91%~94%。
3、传动功率范围大:可以从小于1KW至1300KW,甚至更大。
4、传动范围大:i=2.8~2000
5、适应性强且耐用。主要零件均采用优质合金钢经渗碳淬火或氮化处理,行星齿轮减速机运转平稳、噪音小、使用受命10以上。
6、用途和适用条件
NGW型行星齿轮减速器有单级(NGW11—NGW121),两级(NGW42—NGW122)三级 (NGW73—NGW123)三个卧式系列。主要用于冶金、矿山、起重运输机械设备,也可用于其它类似工矿条件下作动力传动。
高速轴最高速不超过1500r/min
齿轮圆周速度不超过10m/s;
工作环境温度为-40℃—45℃;
可正反两向运转。NGW型行星齿轮减速器的一个重要特点是,内啮合于外啮合之间共用一个行星轮,NGW就是由“内、公、外”三字的汉语拼音的第一个字母组成的。
本系列减速器的规格的规定是根据传动比、功率和扭矩大小划分成12个机座号,及单级、双级和三级传动,共有27个机座号,58种速比,详细如下:
| 传动类别 | 型号规格 | 传动比 | 组成台数 | ||
| 机座号 | 种数 | 范围 | 种数 | ||
| 单级 | NGW42—NGW121 | 12 | 2.8—12.5 | 14 | 12×14=168 |
| 双级 | NGW42—NGW122 | 9 | 14—160 | 22 | 9×22=198 |
| 三级 | NGW73—NGW123 | 6 | 180—200 | 22 | 6×22=132 |
| 型号 规格 | 公称 传动比i0 | 外形及中心高 | 轴伸 | 地脚尺寸 | 质量 kg | |||||||||||||||||
| L | B | H | H0 | R | d | D | l1 | l2 | t1 | b1 | t2 | b2 | L1 | L2 | L3 | L0 | B1 | d1 | h | |||
| NGW 11 | 2.8-4.5 | 530 | 280 | 295 | 125 0 -0.5 | 125 | 35 | 50 | 55 | 85 | 38.5 | 10 | 55 | 16 | 215 | 165 | 25 | 105 | 220 | M16 | 20 | 53 |
| 5-12.5 | 477 | 30 | 50 | 33 | 8 | 57 | 50 | |||||||||||||||
| NGW 21 | 2.8-4.5 | 604 | 305 | 325 | 140 0 -0.5 | 140 | 40 | 60 | 70 | 105 | 43.5 | 12 | 65.5 | 18 | 245 | 185 | 30 | 115.5 | 235 | M20 | 25 | 80 |
| 5-12.5 | 535 | 35 | 55 | 38.5 | 10 | 60.5 | 73 | |||||||||||||||
| NGW 31 | 2.8-4.5 | 632 | 350 | 365 | 160 0 -0.5 | 160 | 45 | 70 | 70 | 105 | 49 | 14 | 76 | 20 | 260 | 200 | 30 | 125 | 270 | M20 | 25 | 100 |
| 5-12.5 | 569 | 40 | 70 | 43.5 | 12 | 62 | 98 | |||||||||||||||
| NGW 41 | 2.8-4.5 | 734 | 380 | 425.5 | 180 0 -0.5 | 180 | 50 | 80 | 85 | 105 | 55 | 16 | 87 | 24 | 290 | 230 | 30 | 156 | 320 | M24 | 30 | 147 |
| 5-12.5 | 634 | 45 | 70 | 50 | 14 | 72 | 128 | |||||||||||||||
| NGW 51 | 2.8-4.5 | 845 | 420 | 463.5 | 200 0 -0.5 | 200 | 55 | 90 | 85 | 115 | 60 | 16 | 97 | 24 | 310 | 250 | 30 | 196.5 | 360 | M24 | 35 | 213 |
| 5-12.5 | 729 | 50 | 85 | 55 | 16 | 80.5 | 193 | |||||||||||||||
| NGW 61 | 2.8-4.5 | 886 | 475 | 524 | 225 0 -0.5 | 225 | 60 | 100 | 105 | 125 | 65.5 | 18 | 108 | 28 | 360 | 290 | 35 | 202.5 | 405 | M30 | 40 | 289 |
| 5-12.5 | 731 | 55 | 85 | 60 | 16 | 67.5 | 264 | |||||||||||||||
| NGW 71 | 2.8-4.5 | 933 | 535 | 574 | 250 0 -0.5 | 250 | 65 | 110 | 105 | 140 | 70.5 | 18 | 119 | 32 | 375 | 305 | 35 | 213 | 465 | M30 | 40 | 359 |
| 5-12.5 | 800 | 60 | 105 | 65.5 | 18 | 80 | 301 | |||||||||||||||
| NGW 81 | 2.8-4.5 | 1042 | 590 | 634 | 280 0 -0.5 | 280 | 75 | 120 | 115 | 160 | 81 | 20 | 129 | 32 | 440 | 350 | 45 | 219 | 510 | M36 | 45 | 449 |
| 5-12.5 | 899 | 65 | 105 | 70.5 | 18 | 86 | 399 | |||||||||||||||
| NGW 91 | 2.8-4.5 | 1141 | 660 | 721 | 315 0 -0.5 | 315 | 85 | 130 | 125 | 165 | 92 | 24 | 140 | 36 | 475 | 385 | 45 | 225.5 | 570 | M36 | 45 | 604 |
| 5-12.5 | 976 | 75 | 115 | 81 | 20 | 70.5 | 542 | |||||||||||||||
| NGW 101 | 2.8-4.5 | 1261 | 745 | 800 | 355 0 -0.5 | 355 | 95 | 150 | 140 | 200 | 103 | 28 | 161 | 40 | 525 | 425 | 50 | 251 | 645 | M42 | 50 | 810 |
| 5-12.5 | 1073 | 85 | 125 | 92 | 24 | 78 | 732 | |||||||||||||||
| NGW 111 | 2.8-4.5 | 1355 | 840 | 891 | 400 0 -0.5 | 400 | 105 | 170 | 160 | 200 | 113 | 28 | 181 | 40 | 580 | 480 | 50 | 263 | 740 | M42 | 55 | 1060 |
| 5-12.5 | 1145 | 95 | 140 | 103 | 28 | 73 | 990 | |||||||||||||||
| NGW 121 | 2.8-4.5 | 1500 | 950 | 1013 | 450 0 -0.5 | 455 | 115 | 190 | 160 | 240 | 124 | 32 | 202 | 45 | 680 | 560 | 60 | 288 | 820 | M48 | 60 | 1638 |
| 5-12.5 | 1286 | 105 | 160 | 113 | 28 | 73 | 1475 | |||||||||||||||
| 型号 规格 | 公称传 动比i0 | 外形及中心高 | 轴伸 | 地脚尺寸 | 质量 /kg | |||||||||||||||||
| L | B | H | H0 | R | d | D | l1 | l2 | t1 | b1 | t2 | b2 | L1 | L2 | L3 | L0 | B1 | d1 | h | |||
| NGW 42 | 14-22.5 | 687 | 380 | 425.5 | 180 0 -0.5 | 180 | 35 | 80 | 55 | 105 | 28.5 | 10 | 87 | 24 | 290 | 230 | 30 | 72 | 320 | M24 | 30 | 128 |
| 25-160 | 687 | 30 | 55 | 33 | 8 | 130 | ||||||||||||||||
| NGW 52 | 14-22.5 | 767 | 420 | 463.5 | 200 0 -0.5 | 200 | 40 | 90 | 70 | 115 | 43.5 | 12 | 97 | 24 | 310 | 250 | 30 | 80.5 | 360 | M24 | 35 | 244 |
| 25-160 | 752 | 35 | 55 | 38.5 | 10 | 241 | ||||||||||||||||
| NGW 62 | 14-22.5 | 805.5 | 475 | 524 | 225 0 -0.5 | 225 | 45 | 100 | 70 | 125 | 49 | 14 | 108 | 28 | 360 | 290 | 35 | 67.5 | 405 | M30 | 40 | 291 |
| 25-160 | 805.5 | 40 | 70 | 43.5 | 12 | 279 | ||||||||||||||||
| NGW 72 | 14-22.5 | 890 | 535 | 574 | 250 0 -0.5 | 250 | 50 | 110 | 85 | 140 | 55 | 16 | 119 | 32 | 375 | 305 | 35 | 80 | 465 | M30 | 40 | 350 |
| 25-160 | 875 | 45 | 70 | 49 | 14 | 350 | ||||||||||||||||
| NGW 82 | 14-22.5 | 976.5 | 590 | 634 | 280 0 -0.5 | 280 | 55 | 120 | 85 | 160 | 60 | 16 | 129 | 32 | 440 | 350 | 45 | 86 | 510 | M36 | 45 | 488 |
| 25-160 | 976.5 | 50 | 85 | 55 | 16 | 460 | ||||||||||||||||
| NGW 92 | 14-22.5 | 1040 | 660 | 721 | 315 0 -0.5 | 315 | 60 | 130 | 105 | 165 | 65.5 | 18 | 140 | 36 | 475 | 385 | 45 | 70.5 | 570 | M36 | 45 | 607 |
| 25-160 | 1020 | 55 | 85 | 60 | 16 | 577 | ||||||||||||||||
| NGW 102 | 14-22.5 | 1144 | 745 | 800 | 355 0 -0.5 | 355 | 65 | 150 | 105 | 200 | 70.5 | 18 | 161 | 40 | 525 | 425 | 50 | 78 | 645 | M42 | 50 | 895 |
| 25-160 | 1144 | 60 | 105 | 65.5 | 18 | 895 | ||||||||||||||||
| NGW 112 | 14-22.5 | 1222 | 840 | 891 | 400 0 -0.5 | 400 | 75 | 170 | 115 | 200 | 81 | 20 | 181 | 40 | 580 | 480 | 50 | 73 | 740 | M42 | 55 | 1120 |
| 25-160 | 1212 | 65 | 105 | 70.5 | 18 | 1075 | ||||||||||||||||
| NGW 122 | 14-22.5 | 1385 | 950 | 1013 | 450 0 -0.5 | 455 | 85 | 190 | 125 | 240 | 92 | 24 | 202 | 45 | 680 | 560 | 60 | 73 | 820 | M48 | 60 | 1733 |
| 25-160 | 1375 | 75 | 115 | 81 | 20 | 1539 | ||||||||||||||||
| 型号 规格 | 公称传 动比i0 | 外形及中心高 | 轴伸 | 地脚尺寸 | 质量 /kg | |||||||||||||||||
| L | B | H | H0 | R | d | D | l1 | l2 | t1 | b1 | t2 | b2 | L1 | L2 | L3 | L0 | B1 | d1 | h | |||
| NGW73 | 180-2000 | 973.5 | 535 | 574 | 250 0 -0.5 | 250 | 30 | 110 | 55 | 140 | 33 | 8 | 119 | 32 | 375 | 305 | 35 | 80 | 465 | M30 | 40 | 382 |
| NGW83 | 1071 | 590 | 1071 | 590 | 634 | 280 0 -0.5 | 280 | 35 | 120 | 55 | 160 | 38.5 | 10 | 129 | 32 | 440 | 350 | 45 | 86 | 510 | M36 | |
| NGW93 | 1137.5 | 660 | 721 | 315 0 -0.5 | 315 | 40 | 130 | 70 | 165 | 43.5 | 12 | 140 | 36 | 475 |
|
45 | 70.5 | 570 | M36 | 45 | 627 | |
| NGW103 | 1263 | 745 | 800 | 355 0 -0.5 | 355 | 45 | 150 | 70 | 200 | 49 | 14 | 161 | 40 | 525 | 425 | 50 | 78 | 645 | M42 | 50 | 962 | |
| NGW113 | 1359.5 | 840 | 891 | 400 0 -0.5 | 400 | 50 | 170 | 85 | 200 | 55 | 16 | 181 | 40 | 580 | 480 | 50 | 73 | 740 | M42 | 55 | 1163 | |
| NGW123 | 1504 | 950 | 1013 | 450 0 -0.5 | 455 | 55 | 190 | 85 | 240 | 60 | 16 | 202 | 45 | 680 | 560 | 60 | 73 | 820 | M48 | 60 | 1756 | |


