产品介绍产品图纸
产品编号:11199371014
产品名称:NBD行星齿轮减速机
产品类别:行星齿轮减速机系列
产品型号:NBD
NGW型行星齿轮减速器包括单级、两级、三级减速的十二个系列和八个派生系列的渐开线直齿圆柱齿轮行星减速器。主要用于冶金、矿山、运输、建材、能源、交通等。其工作条件如下:规格为200~800,高速轴转速不大于1500r/min;规格为900~1120,高速轴转速不大于1000r/min;规格为1250~1600,高速轴转速不大于750r/min;规格为1800~2000,高速轴转速不大于600r/min;齿轮圆周速度不大于15~20m/s;工作环境温度应为-40~+45℃;可正反两向运转。
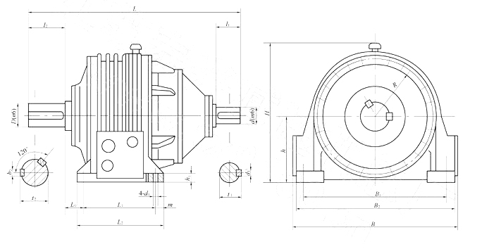
NBD行星齿轮减速机图纸尺寸
产品编号:11199371014
产品名称:NBD行星齿轮减速机
产品类别:行星齿轮减速机系列
产品型号:NBD
NGW型行星齿轮减速器包括单级、两级、三级减速的十二个系列和八个派生系列的渐开线直齿圆柱齿轮行星减速器。主要用于冶金、矿山、运输、建材、能源、交通等。其工作条件如下:规格为200~800,高速轴转速不大于1500r/min;规格为900~1120,高速轴转速不大于1000r/min;规格为1250~1600,高速轴转速不大于750r/min;规格为1800~2000,高速轴转速不大于600r/min;齿轮圆周速度不大于15~20m/s;工作环境温度应为-40~+45℃;可正反两向运转。
| NBD行星齿轮减速机图纸尺寸 |
|
|
|
|
|
|
|
|


