产品介绍产品图纸
产品编号:321115714
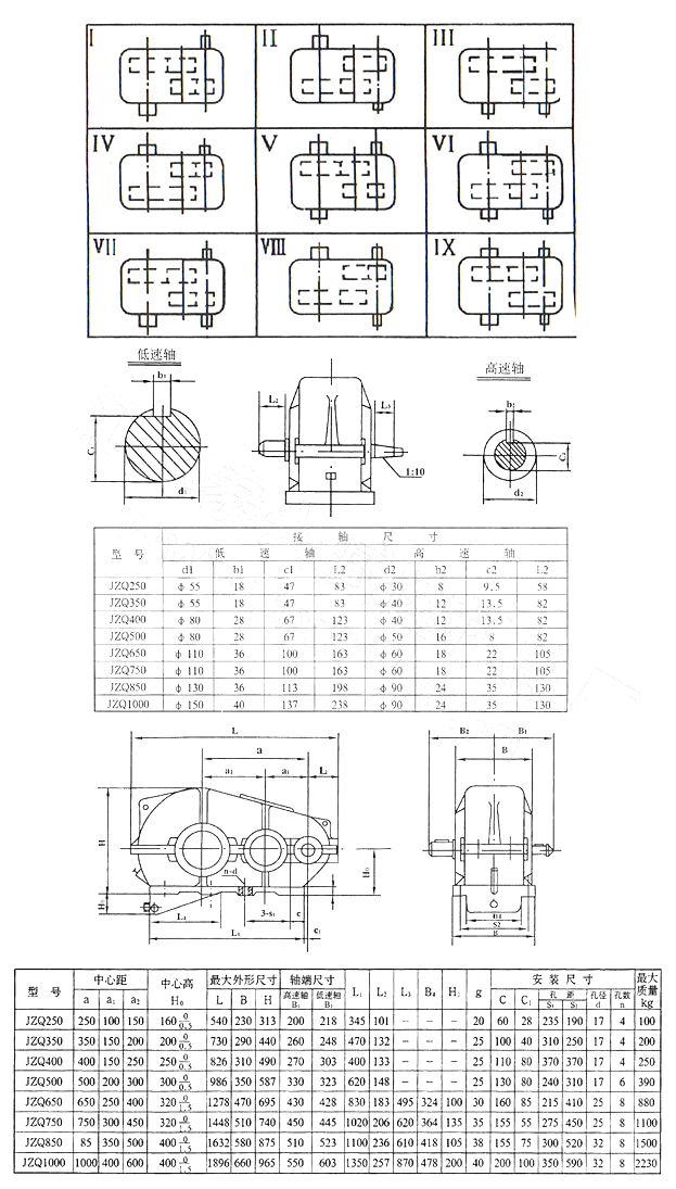
产品名称:ZQ(JZQ)、ZQD大速比圆柱齿轮减速机
产品类别:圆柱齿轮减速器(软齿面减速机)系列
产品型号:ZQ(JZQ)、ZQD
该减速机久经考验,价廉物美,广泛用于矿山、起重、运输、冶金、轻纺、化工、机械等行业。主要型号有:ZQ(JZQ)型、ZQH型、ZQA型、ZQD型、ZD(ZDH)型、ZL(ZLH)型、ZS(ZSH)型、ZSC,ZSC(A)型、ZSC(D)、LC、YTC、WD,WS,A型蜗轮蜗杆减速器。
产品编号:321115714
产品名称:ZQ(JZQ)、ZQD大速比圆柱齿轮减速机
产品类别:圆柱齿轮减速器(软齿面减速机)系列
产品型号:ZQ(JZQ)、ZQD
该减速机久经考验,价廉物美,广泛用于矿山、起重、运输、冶金、轻纺、化工、机械等行业。主要型号有:ZQ(JZQ)型、ZQH型、ZQA型、ZQD型、ZD(ZDH)型、ZL(ZLH)型、ZS(ZSH)型、ZSC,ZSC(A)型、ZSC(D)、LC、YTC、WD,WS,A型蜗轮蜗杆减速器。
|
|
|
|


