产品介绍产品图纸
产品编号:3211212914
产品名称:QJ-T立式及套装式减速器
产品类别:起重用硬齿面减速机
产品型号:QJ-T
起重机立式减速器部分分为QJ—L,QJ—T两个系列,主要用于起重机运行机构,也可用于运输、冶金、矿山、化工、轻工等各种机械设备的运行机构中。齿轮、齿轮轴采用中碳合金钢中硬齿面。具有结构紧凑、承载能力较高等优点,是我厂继ZSC型、ZSC(A)型减速器之后推出的又一代新产品。
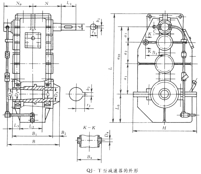
QJ-T140、QJ-T170、QJ-T200、QJ-T236、QJ-T280、QJ-T335、QJ-T400、型减速机的外形尺寸及安装尺寸(JB/T8905.4-1999)
QJ-T型减速器的外形尺寸及安装尺寸 (mm)
型号
中心距
主动轴
被动轴
a1
a2
a3
a03
d
L1
N
b1
t1
D
D1
D2
D3
L2
L3
b2
t2
QJ-T140
140
100
71
311
20
50
120
6
22.5
40
50
55
70
105
50
14
26.2
QJ-T170
170
118
85
373
25
50
135
8
28
50
60
65
80
105
55
16
31.7
QJ-T200
200
140
100
440
28
60
180
8
31
55
65
70
90
105
60
18
34.3
QJ-T236
236
170
118
524
35
80
210
10
38
70
85
90
120
155
70
22
44
QJ-T280
280
200
140
620
40
110
235
12
43
75
95
100
130
205
75
22
47.8
QJ-T335
335
236
170
741
45
110
255
14
48.5
90
110
120
160
205
85
28
56.3
QJ-T400
400
280
100
880
55
110
285
16
59
100
120
130
180
255
105
28
60.03
型号
外形尺寸
安装尺寸
重量/kg
H
B
B1
L
L0
N0
B2
B3
B4
D4
QJ-T140
324
256
214
526
135
103
35
85
150
25
76
QJ-T170
376
281
239
618
160
115
35
105
170
25
108
QJ-T200
426
333
274
715
185
133
50
135
200
25
153
QJ-T236
510
387
328
854
220
158
50
155
245
28
247
QJ-T280
580
460
368
995
255
277
65
190
270
28
364
QJ-T335
689
524
436
1196
310
307
65
225
330
32
593
QJ-T400
807
624
526
1396
365
352
75
280
390
40
938
QJ-T型减速器的中心距、公称传动比和实际传动比与QJ-L型减速器相同。见下表。
QJ-T型减速器的中心距 (mm)
减速器型号
QJ-L140
QJ-L170
QJ-L200
QJ-L236
QJ-L280
QJ-L335
QJ-L400
低速级a1
140
170
200
236
280
335
400
中速级a2
100
118
140
170
200
236
280
高速级a3
71
85
100
118
140
170
200
QJ-T型减速器的公称传动比和实际传动比
规格
公称传动比
16
18
20
22.4
25
28
31.5
35.5
40
45
50
56
63
71
80
90
100
实际传动比
140
15.57
17.92
19.96
23.13
24.46
28.59
32.15
35.83
40.30
45.72
49.26
55.20
63.09
68.25
78.00
90.88
103.87
170
15.82
17.86
19.95
22.64
25.44
27.78
31.45
35.22
39.87
43.34
49.21
56.39
64.04
72.06
81.82
89.29
101.39
200
15.78
18.10
20.22
22.23
24.98
27.57
31.21
35.99
40.75
44.03
49.95
55.73
63.22
68.12
77.28
86.10
97.67
236
15.68
18.07
20.21
22.28
25.09
27.77
31.53
34.37
41.13
43.95
50.21
53.36
64.92
71.00
81.11
85.83
98.05
280
16.51
18.19
20.26
22.39
23.69
27.72
31.18
34.83
39.15
44.41
50.76
53.69
61.36
71.84
82.11
90.04
102.91
335
15.70
17.98
20.20
22.18
25.11
27.64
31.58
35.76
40.00
45.70
48.76
58.43
62.35
72.82
83.19
93.75
100.04
400
15.78
18.10
20.22
22.23
24.98
27.57
31.21
36.00
40.75
44.03
49.95
55.73
63.22
68.12
77.28
86.10
97.67
产品编号:3211212914
产品名称:QJ-T立式及套装式减速器
产品类别:起重用硬齿面减速机
产品型号:QJ-T
起重机立式减速器部分分为QJ—L,QJ—T两个系列,主要用于起重机运行机构,也可用于运输、冶金、矿山、化工、轻工等各种机械设备的运行机构中。齿轮、齿轮轴采用中碳合金钢中硬齿面。具有结构紧凑、承载能力较高等优点,是我厂继ZSC型、ZSC(A)型减速器之后推出的又一代新产品。
| QJ-T140、QJ-T170、QJ-T200、QJ-T236、QJ-T280、QJ-T335、QJ-T400、型减速机的外形尺寸及安装尺寸(JB/T8905.4-1999) | |||||||||||||||||||||||||||||||||||||||||||||||||||||||||||||||||||||||||||||||||||||||||||||||||||||||||||||||||||||||||||||||||||||||||||||||||||||||||||||||||||||||||||||||||||||||||||||||||||||||||||||||||||||||||||||||||||||||||||||||||||||||||||||||||||||||||||
|
|||||||||||||||||||||||||||||||||||||||||||||||||||||||||||||||||||||||||||||||||||||||||||||||||||||||||||||||||||||||||||||||||||||||||||||||||||||||||||||||||||||||||||||||||||||||||||||||||||||||||||||||||||||||||||||||||||||||||||||||||||||||||||||||||||||||||||
|
QJ-T型减速器的外形尺寸及安装尺寸 (mm)
|
|||||||||||||||||||||||||||||||||||||||||||||||||||||||||||||||||||||||||||||||||||||||||||||||||||||||||||||||||||||||||||||||||||||||||||||||||||||||||||||||||||||||||||||||||||||||||||||||||||||||||||||||||||||||||||||||||||||||||||||||||||||||||||||||||||||||||||
|
QJ-T型减速器的中心距、公称传动比和实际传动比与QJ-L型减速器相同。见下表。
QJ-T型减速器的中心距 (mm)
QJ-T型减速器的公称传动比和实际传动比
|
|||||||||||||||||||||||||||||||||||||||||||||||||||||||||||||||||||||||||||||||||||||||||||||||||||||||||||||||||||||||||||||||||||||||||||||||||||||||||||||||||||||||||||||||||||||||||||||||||||||||||||||||||||||||||||||||||||||||||||||||||||||||||||||||||||||||||||


