产品介绍产品图纸
产品编号:10201557114
产品名称:铝合金壳无级蜗轮系列
产品类别:蜗轮蜗杆减速机系列
产品型号:无级
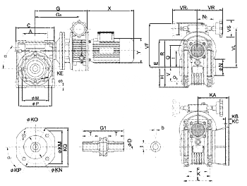
Size
a
a1
A
K
KC
KE
KM
KN(HB)
KO
M
N(h8)
N1
O
Q
S
V
b
D(H7)
t
T
F
FB
FL
F
FB
FL
F
FB
FL
F
FB
FL
40/0.18
45o
45o
70
60
4
5
4
M6x8(n,4)
87
115
87
60
95
60
9(n,4)
9.5(n,4)
9(n,4)
75
60
36.5
6.5
55
6.5
35
6(6)
18(19)
20.8(21.8)
26
50/0.18
45o
45o
80
70
5
5
5
M8x10(n,4)
90
130
90
70
110
70
11(n,4)
9.5(n,4)
11(n,4)
85
70
43.5
8.5
64
7
40
8(8)
25(24)
28.3(27.3)
30
50/0.37
63/0.37
45o
45o
100
85
6
5
6
M8x14(n,8)
150
165
150
115
130
115
11(n,4)
11(n,4)
11(n,4)
95
80
53
8.5
80
8
50
8(8)
25(28)
28.3(31.3)
36
63/0.55
63/0.75
75/0.37
45o
45o
120
90
6
-
-
M8x14(n,8)
165
-
-
130
-
-
14(n,4)
-
-
115
95
57
11
93
10
60
8(10)
28(35)
31.3(38.3)
40
75/0.55
75/0.75
75/1.1
75/1.5
90/0.55
45o
45o
140
100
6
-
-
M10x18(n,8)
175
-
-
152
-
-
14(n,4)
-
-
130
110
67
13
102
11
70
10(10)
35(38)
38.3(41.3)
45
90/0.75
90/1.1
90/1.5
110/1.1
45o
45o
170
115
6
-
-
M10x18(n,8)
230
-
-
170
-
-
14(n,8)
-
-
165
130
74
14
125
14
85
12
42
45.3
50
110/1.5
110/2.2
110/3.0
110/4.0
130/1.5
45o
45o
200
120
6
-
-
M12x21(n,8)
255
-
-
180
-
-
16(n,8)
-
-
215
180
81
16
140
15
100
14
45
48.8
60
130/2.2
130/3.0
130/4.0
Size
C
E
F
G
G1
G3
H
I
KA
KB
KP
KQ
L
P
R
VF
VL
VS
VR
VR1
F
FB
FL
F
FB
FL
F
FB
FL
F
FB
FL
40/0.18
100
121.5
43
183
78
134
50
40
67
76.5
97
7
9
7
110
140
110
95
-
95
71
87
71.5
151
118
85
110
110
50/0.18
120
144
49
193
92
145
60
50
90
87.5
120
9
10
9
125
160
125
110
-
110
85
100
84
161
128
85
110
110
50/0.37
190
154
173
140
85
110
110
63/0.37
144
174
67
205
112
169
72
63
82
99
112
10
11
10
180
200
180
142
-
142
103
110
102
186
153
85
110
110
63/0.55
234
181
203
170
110
120
120
63/0.75
234
181
203
170
110
120
120
75/0.37
172
205
72
223
120
187
86
75
111
-
-
13
-
-
200
-
-
170
-
-
112
140
119
198
165
85
110
110
75/0.55
252
198
215
182
110
120
120
75/0.75
252
198
215
182
110
120
120
75/1.1
259.5
207.5
199
177
110
150
-
75/1.5
300.5
227.5
219
197
110
150
-
90/0.55
208
238
74
269
140
215
103
90
111
-
-
13
-
-
210
-
-
200
-
-
130
160
135
230
197
110
120
120
90/0.75
269
215
230
197
110
120
120
90/1.1
276.5
224.5
214
192
110
150
-
90/1.5
317.5
244.5
234
212
110
150
-
110/1.1
252.5
295
-
307
155
255
128
110
131
-
-
15
-
-
280
-
-
260
-
-
144
200
168
234
212
110
120
-
110/1.5
348
275
254
232
110
150
-
110/2.2
368
291
298
260
110
160
-
110/3.0
368
291
298
260
110
160
-
110/4.0
368
291
298
260
110
160
-
130/1.5
292.5
335
-
368
170
295
148
130
140
-
-
15
-
-
320
-
-
290
-
-
155
250
188
274
252
110
150
-
130/2.2
388
311
318
280
110
160
-
130/3.0
388
311
318
280
110
160
-
130/4.0
388
311
318
280
110
160
-
产品编号:10201557114
产品名称:铝合金壳无级蜗轮系列
产品类别:蜗轮蜗杆减速机系列
产品型号:无级
|
|||||||||||||||||||||||||||||||||||||||||||||||||||||||||||||||||||||||||||||||||||||||||||||||||||||||||||||||||||||||||||||||||||||||||||||||||||||||||||||||||||||||||||||||||||||||||||||||||||||||||||||||||||||||||||||||||||||||||||||||||||||||||||||||||||||||||||||||||||||||||||||||||||||||||||||||||||||||||||||||||||||||||||||||||||||||||||||||||||||||||||||||||||||||||||||||||||||||||||||||||||||||||||||||||||||||||||||||||||||||||||||||||||||||||||||||||||||||||||||||||||||||||||||||||||||||||||||||||||||||||||||||||||||||||||||||||||||||||||||||||||||||||||||||||||||||||||||||||||||||||||||||||||||||||||||||||||||||||||||||||
|
|||||||||||||||||||||||||||||||||||||||||||||||||||||||||||||||||||||||||||||||||||||||||||||||||||||||||||||||||||||||||||||||||||||||||||||||||||||||||||||||||||||||||||||||||||||||||||||||||||||||||||||||||||||||||||||||||||||||||||||||||||||||||||||||||||||||||||||||||||||||||||||||||||||||||||||||||||||||||||||||||||||||||||||||||||||||||||||||||||||||||||||||||||||||||||||||||||||||||||||||||||||||||||||||||||||||||||||||||||||||||||||||||||||||||||||||||||||||||||||||||||||||||||||||||||||||||||||||||||||||||||||||||||||||||||||||||||||||||||||||||||||||||||||||||||||||||||||||||||||||||||||||||||||||||||||||||||||||||||||||||


