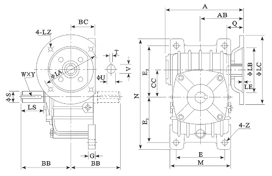
产品介绍产品图纸
产品编号:3211171914
产品名称:WPDO蜗轮减速机
产品类别:WP系列蜗轮减速机
产品型号:WPDO
型号size
入功率input(kw)
减比速ratio
A
AB
BB
BC
CC
M
N
E
E1
E2
G
Z
电机法兰flange
入力孔input hole
出轴力output shaft
重量weight(kg)
LA
LB
LC
LE
LZ
Q
U
T×V
LS
S
W×Y
50
0.18
1/5
1/10 1/15 1/20 1/25 1/30 1/40 1/50 1/60
151
83
97
50
50
116
220
90
93
102
15
12
115
95
140
4
M8
31
11
4×12.8
40
17
5×3
8
60
0.37
167
91
112
55
60
126
260
100
105
120
20
12
130
110
160
4
M8
33
14
5×16.3
50
22
7×4
11
70
0.37
200
109
131
65
70
156
295
120
120
135
20
15
130
110
160
4
M8
40
14
5×16.3
60
28
7×4
17
0.75
202
111
165
130
200
M10
42
19
6×21.8
80
0.75
225
125
142
70
80
175
320
140
130
150
20
15
165
130
200
4.5
M10
48
19
6×21.8
65
32
10×4.5
22
1.5
52
24
8×27.3
100
2.2
280
148
169
90
100
224
375
190
155
180
25
15
165
130
200
4.5
M10
52
24
8×27.3
75
38
10×4.5
38
120
3.0
333
181
190
100
120
266
450
220
185
215
30
18
215
180
250
5
M12
63
28
8×31.3
85
45
12×4.5
64
135
3.0
375
202
210
110
135
306
495
260
210
235
30
18
215
180
250
5
M12
63
28
8×31.3
95
55
15×5
85
4.0
155
5.5
448
247
252
140
155
350
590
290
245
295
35
21
265
230
300
5
M12
83
38
10×41.3
110
60
18×7
118
175
5.5
481
262
262
150
175
394
640
320
267
323
40
21
265
230
300
5
M12
83
38
10×41.3
110
65
18×7
165
7.5
200
11.0
543
285
305
175
200
442
710
370
290
360
40
24
300
250
350
6
M16
114
42
12×45.3
125
70
20×7.5
236
250
11.0
615
330
360
200
250
510
860
440
350
440
45
28
300
250
350
6
M16
114
42
12×45.3
155
90
25×9
396
15.0
产品编号:3211171914
产品名称:WPDO蜗轮减速机
产品类别:WP系列蜗轮减速机
产品型号:WPDO
|
||||||||||||||||||||||||||||||||||||||||||||||||||||||||||||||||||||||||||||||||||||||||||||||||||||||||||||||||||||||||||||||||||||||||||||||||||||||||||||||||||||||||||||||||||||||||||||||||||||||||||||||||||||||||||||||||||||||||||||||||||||||||||||||||||||||||||||||||||||||||||||||||||||||||||||||||||||||||||||||||||||||||||||||||||||||
|
||||||||||||||||||||||||||||||||||||||||||||||||||||||||||||||||||||||||||||||||||||||||||||||||||||||||||||||||||||||||||||||||||||||||||||||||||||||||||||||||||||||||||||||||||||||||||||||||||||||||||||||||||||||||||||||||||||||||||||||||||||||||||||||||||||||||||||||||||||||||||||||||||||||||||||||||||||||||||||||||||||||||||||||||||||||


